Запчасти Case IH MAXXUM 140 (10.000.00) - SECTION INDEX - ENGINE (10) - ENGINE

Схема запчастей Case IH MAXXUM 140 - (10.000.00) - SECTION INDEX - ENGINE (10) - ENGINE
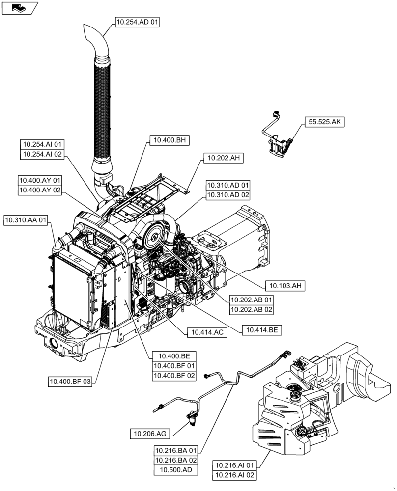
10.254.ai 02
10.400.bf 03
10.400.ay 01
10.414.ac
10.400.be
10.500.ad
10.400.ay 02
10.400.bf 02
10.202.ah
10.216.ai 01
10.310.ad 02
10.103.ah
10.202.ab 01
10.202.ab 02
10.216.ai 02
10.400.bf 01
10.400.bh
10.310.aa 01
10.216.ba 01
home
10.414.be
10.206.ag
10.254.ad 01
10.310.ad 01
10.216.ba 02
10.254.ai 01
55.525.ak
FIT
1:1
100%