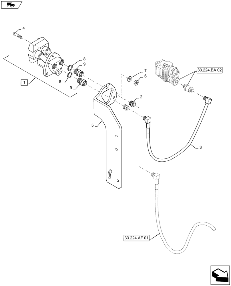
Запчасти Case IH MAXXUM 140 (33.224.AQ[04]) - VAR - 332739 - PNEUMATIC TRAILER BRAKE (ITALY) - QUICK HITCH AND PIPES (33) - BRAKES & CONTROLS

Схема запчастей Case IH MAXXUM 140 - (33.224.AQ[04]) - VAR - 332739 - PNEUMATIC TRAILER BRAKE (ITALY) - QUICK HITCH AND PIPES (33) - BRAKES & CONTROLS
5
4
33.224.af 01
9
1
8
home
9
8
7
2
33.224.ba 02
6
3
FIT
1:1
100%

Артикул

Название

Примечание

Количество

1

87692947

PUSH-PULL COUPLING

Incl 8, 9

1шт.

2

82034157

ADAPTER

1шт.

3

87337373

TUBE,10 mm OD x 1320 mm L

1шт.

4

11106421

SCREW,Hex, M10 x 1.5 x 30mm, Cl 8.8

3шт.

5

87666026

BRACKET

1шт.

6

11701711

NUT,Hex, M10, Cl 8, ZND

3шт.

7

14496601

WASHER,10.5mm ID x 21mm OD x 2mm Thk

3шт.

8

87692948

WASHER,18.0mm ID x 25mm OD x 1.5mm Thk, Aluminum

2шт.

9

87692949

FITTING,M22 x 1.5 x M18 x 1.5

2шт.

Выбрано товаров: 9