Запчасти Case IH MAXXUM 140 (33.224.AZ[01]) - VAR - 332739 - PNEUMATIC TRAILER BRAKE - REGULATOR, VALVE & PIPES (33) - BRAKES & CONTROLS

Схема запчастей Case IH MAXXUM 140 - (33.224.AZ[01]) - VAR - 332739 - PNEUMATIC TRAILER BRAKE - REGULATOR, VALVE & PIPES (33) - BRAKES & CONTROLS
4
21
22
18
14
15
5
7
8
20
home
15
10
1
3
13
11
16
33.224.ba 02
9
2
19
23
33.224.ba 02
17
12
24
10
6
FIT
1:1
100%

Артикул

Название

Примечание

Количество

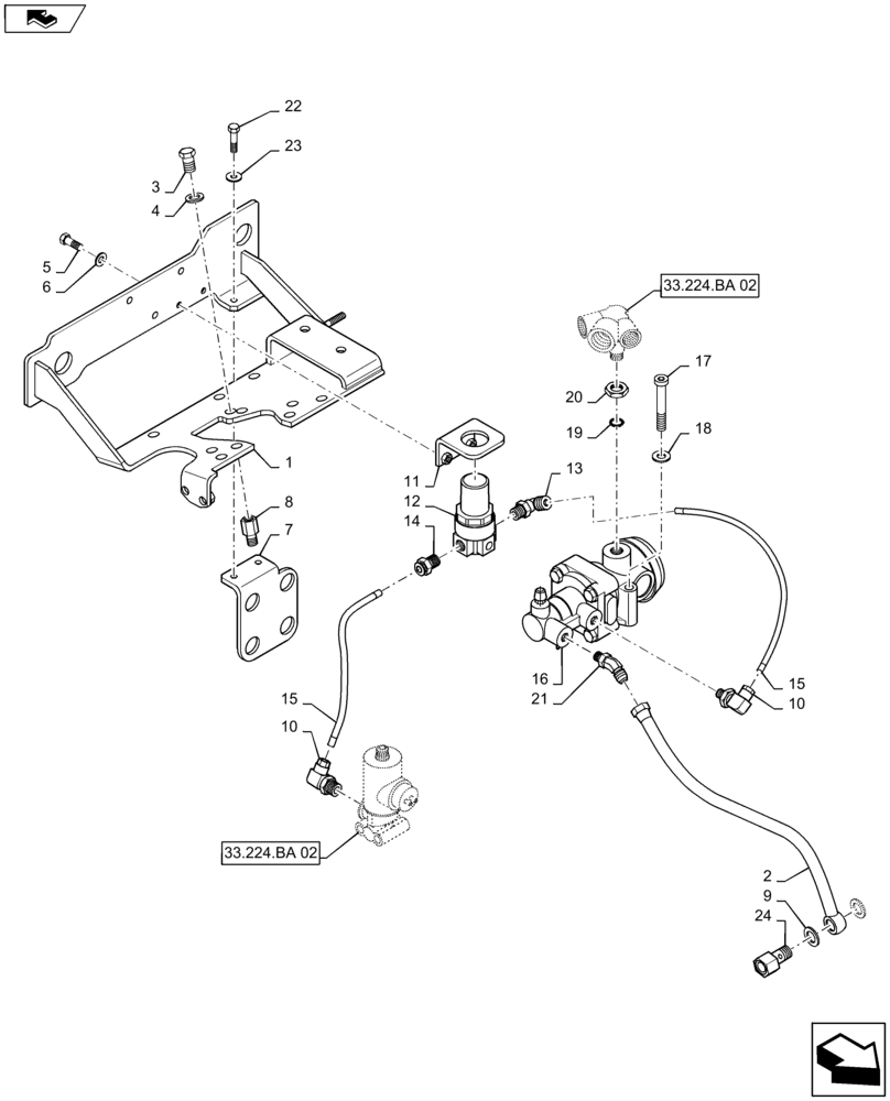
1

84157684

SUPPORT

1шт.

2

87471639

HOSE,6.35mm ID x 390mm L, SAE 100R2

1шт.

3

16043221

BOLT,Hex, M8 x 16mm, Cl 8.8, Full Thd

4шт.

4

10571779

LOCK WASHER,Helical Spring, 8.10mm ID x 14.80mm OD x 2.00mm, ZNM

4шт.

5

10902421

SCREW,Hex, M6 x 20mm, Cl 8.8

2шт.

6

14499301

WASHER,M6 x 12.00mm OD x 1.60mm Overwrite

2шт.

7

84124500

BRACKET

1шт.

8

87471135

SPACER,M8 x 1.25

4шт.

9

5183780

SEALING WASHER,9.73mm ID x 18mm OD x 1.5mm Thk

2шт.

10

87678126

ELBOW,Hex, M12 x 1.4 x 28mm

2шт.

11

87479476

BRACKET

1шт.

12

87678129

REGULATOR

1шт.

13

87677922

90 ELBOW,6.00mm Tube, 1/4" BSPT

1шт.

14

87677921

ADAPTER,6.00mm Tube, 1/4" BSPT

1шт.

15

84358817

HOSE,6.00mm OD x 652.00mm L

1шт.

16

82016341

TRAILER BRAKE VALVE

1шт.

17

14308934

HEX SOC SCREW,M8 x 1.25 x 60mm, Cl 10.9

2шт.

18

10516679

LOCK WASHER,Helical Spring, 8.20mm ID x 14.80mm OD x 2.20mm, C72, ZNM

2шт.

19

82019797

O-RING,2.5mm Thk x 14mm ID

1шт.

20

82019796

LOCK NUT

1шт.

21

87588084

HYD CONNECTOR,M10 x 1

1шт.

22

83962783

SCREW,Pozidriv Pan Hd, M6 x 20mm, Cl 4.8, Full Thd

2шт.

23

14496401

WASHER,M6.4 x 12.00mm x 1.60mm

2шт.

24

82018915

BANJO BOLT,M12 x 1 x 23mm

1шт.

Выбрано товаров: 24