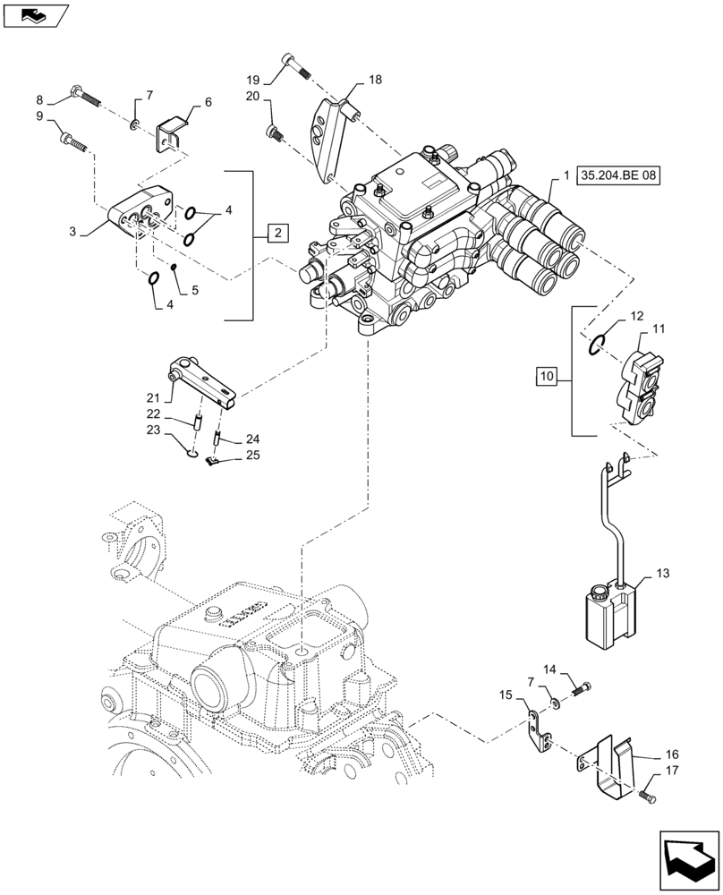
Запчасти Case IH MAXXUM 140 (35.204.BE[07]) - VAR - 331849, 743740 - 2 MECHANICAL REAR REMOTE VALVES ( CONFIGURABLE ) WITH PUMP 113 L/MIN - DISTRIBUTOR, COVER AND OIL COLLECTOR (35) - HYDRAULIC SYSTEMS

Схема запчастей Case IH MAXXUM 140 - (35.204.BE[07]) - VAR - 331849, 743740 - 2 MECHANICAL REAR REMOTE VALVES ( CONFIGURABLE ) WITH PUMP 113 L/MIN - DISTRIBUTOR, COVER AND OIL COLLECTOR (35) - HYDRAULIC SYSTEMS
5
home
8
20
11
3
16
4
2
7
19
14
6
4
17
24
12
21
1
13
15
7
23
22
25
10
18
9
35.204.be 08
FIT
1:1
100%

Артикул

Название

Примечание

Количество

1

87312721

CONTROL VALVE

1шт.

2

5199101

COVER

Incl 3 - 5

2шт.

3

NSS

NOT SOLD SEPARAT

1шт.

4

81862872

O-RING,2.4mm Thk x 19.6mm ID

3шт.

5

81862879

O-RING,2.4mm Thk x 7.6mm ID

1шт.

6

84478254

BRACKET

1шт.

7

14496504

WASHER,8.4mm ID x 17mm OD x 1.6mm Thk

3шт.

8

16044124

BOLT,Hex, M8 x 1.25 x 45mm, Cl 8.8

1шт.

9

14306624

HEX SOC SCREW,M8 x 1.25 x 35mm, Cl 8.8, Full Thd

2шт.

10

84293791

DUST CAP

Incl 11, 12

2шт.

11

NSS

NOT SOLD SEPARAT

Cap. Incl in 10

1шт.

12

14454580

O-RING,34.65mm ID x 1.78mm

4шт.

13

84287277

RESERVOIR, HYDRAULIC

1шт.

14

16043424

SCREW,Hex, M8 x 1.25 x 20mm, Cl 8.8, Full Thd

2шт.

15

84311423

SUPPORT

1шт.

16

84312030

SUPPORT

1шт.

17

10902121

SCREW,Hex, M6 x 14mm, Cl 8.8

2шт.

18

87390554

STOP

1шт.

19

14306721

HEX SOC SCREW,M8 x 48mm, Cl 8.8

1шт.

20

14306221

HEX SOC SCREW,M8 x 16mm, Cl 8.8, Full Thd

1шт.

21

87358094

LEVER

2шт.

22

5113008

PIN,8mm OD x 26mm L

2шт.

23

11065676

SNAP RING,M8, Ext

4шт.

24

5193177

PIN,6mm OD x 29.48mm L

2шт.

25

11063971

SPRING CLIP,M6

4шт.

Выбрано товаров: 25