Запчасти Case IH MAXXUM 140 (35.204.BJ[06]) - VAR - 332564, 743901 - 3 MECHANICAL MID MOUNTED VALVES - DELIVERY AND PILOT PIPES (35) - HYDRAULIC SYSTEMS

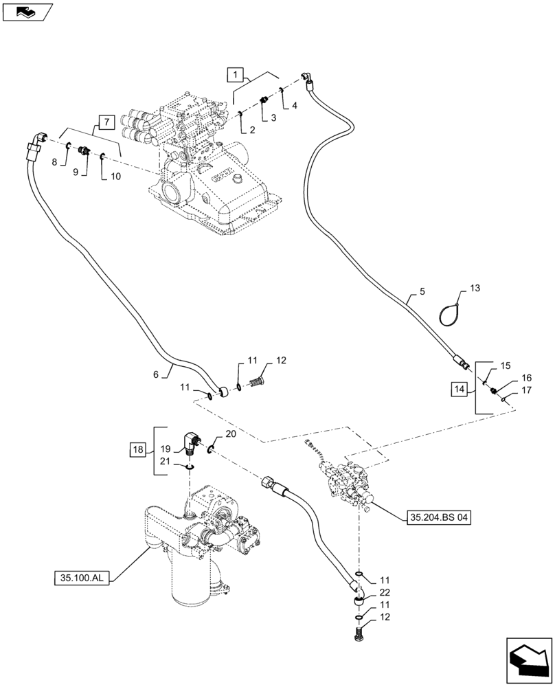
Схема запчастей Case IH MAXXUM 140 - (35.204.BJ[06]) - VAR - 332564, 743901 - 3 MECHANICAL MID MOUNTED VALVES - DELIVERY AND PILOT PIPES (35) - HYDRAULIC SYSTEMS
11
14
5
17
7
2
22
35.204.bs 04
19
20
18
21
9
35.100.al
15
16
12
home
12
11
1
13
8
11
3
10
11
4
6
FIT
1:1
100%

Артикул

Название

Примечание

Количество

1

5185045

HYD CONNECTOR

Incl 2 - 4

1шт.

2

14437685

O-RING,9.30mm ID x 2.40mm

1шт.

3

NSS

NOT SOLD SEPARAT

Connector, Incl in 1

1шт.

4

5185509

O-RING,1.78mm Thk x 7.66mm ID, 85 Duro

1шт.

5

82036909

FLEXIBLE HOSE,6.35mm ID x 1880mm L, SAE 100R2

MMV Load Sense

1шт.

6

84516677

HOSE,15.88mm ID x 1800mm L, SAE 100R2

MMV Supply

1шт.

7

82019638

HYD CONNECTOR,1" - 14 ORFS x M22 x 1.5 ORB

Incl 8 - 10

1шт.

8

83901443

O-RING,0.07" Thk x 0.614" ID, -16, Cl 6, 90 Duro

1шт.

9

NSS

NOT SOLD SEPARAT

Connector, Incl in 7

1шт.

10

14438085

O-RING,19.3mm ID x 2.4mm

1шт.

11

5165897

SEALING WASHER,22.7mm ID x 30mm OD x 2mm Thk

4шт.

12

5112588

BANJO BOLT,M22 x 1.5 x 40mm

2шт.

13

82001041

CABLE TIE,0.190" x 7.00" / 200 mm L

3шт.

14

82016839

HYD CONNECTOR,Straight, M10 x 1 ORFS, 9/16"-18" ORB

Incl 15 - 17

1шт.

15

81844850

O-RING,0.07" Thk x 0.301" ID, -11, Cl 6, 90 Duro

1шт.

16

NSS

NOT SOLD SEPARAT

Connector, Incl in 14

1шт.

17

82016610

SEAL,8.4mm ID x 11.9mm OD x 1mm Thk

1шт.

18

82034042

ELBOW

Incl 19 - 21

1шт.

19

NSS

NOT SOLD SEPARAT

Elbow, Incl in 18

1шт.

20

5185513

O-RING,1.78mm Thk x 18.77mm ID, 85 Duro

1шт.

21

14438185

O-RING,24mm ID x 3mm

1шт.

22

82034041

FLEXIBLE HOSE,15.88mm ID x 750mm L, SAE 100R2

MMV Return

1шт.

Выбрано товаров: 0