Запчасти Case IH MAXXUM 140 (41.200.AE[05]) - HYDROSTATIC STEERING WITH 80L/MIN FD PUMP - DELIVERY LINES (41) - STEERING

Схема запчастей Case IH MAXXUM 140 - (41.200.AE[05]) - HYDROSTATIC STEERING WITH 80L/MIN FD PUMP - DELIVERY LINES (41) - STEERING
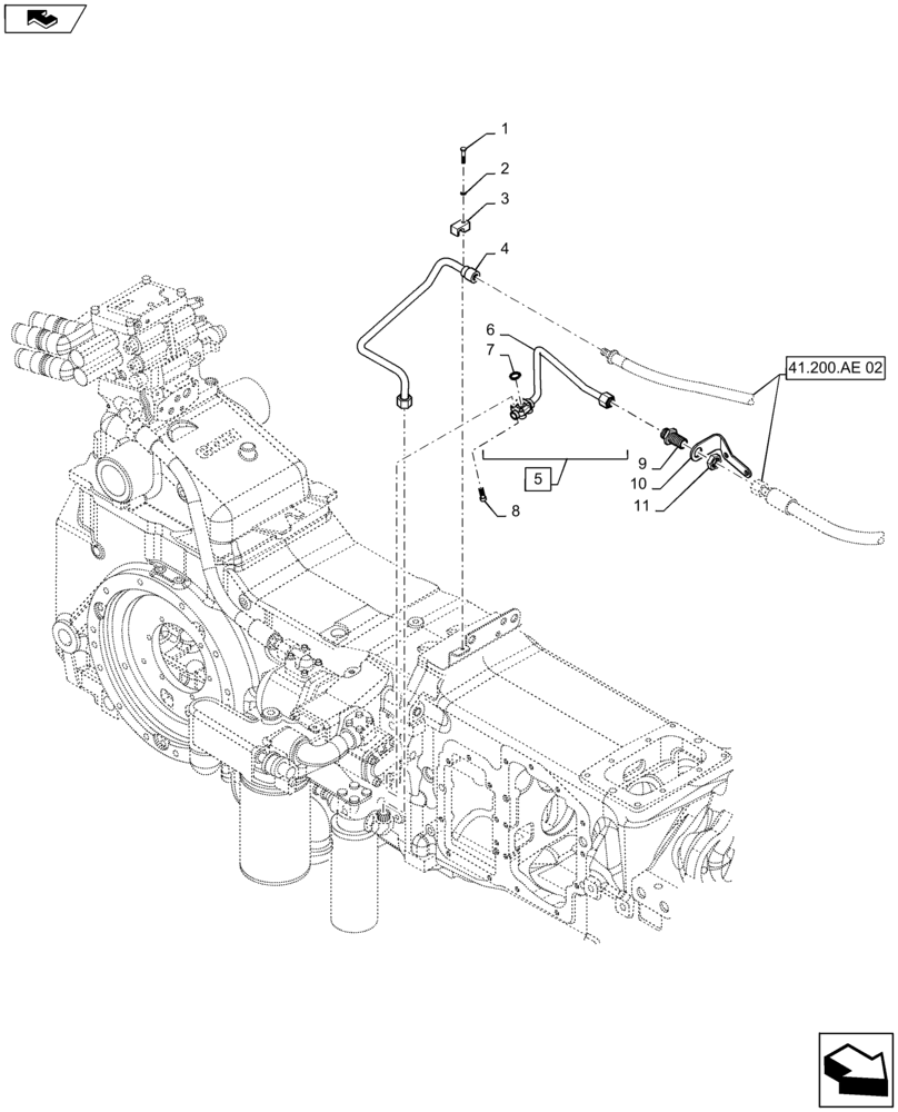
8
1
4
10
2
3
5
6
7
11
9
41.200.ae 02
home
FIT
1:1
100%

Артикул

Название

Примечание

Количество

1

43118

BOLT,Hex, M6 x 1.0 x 40mm, Cl 8.8

1шт.

2

10519421

WASHER,6.4mm ID x 11.95mm OD x 1.6mm Thk

1шт.

3

87326640

CLAMP,16mm ID

1шт.

4

84475640

TUBE

Return From Steering Motor

1шт.

5

84426841

TUBE

Supply to Steering, Incl 6, 7

1шт.

6

NSS

NOT SOLD SEPARAT

Tube, Incl in 5

1шт.

7

14457480

O-RING,18.72mm ID x 2.62mm Thk , -116, Cl 5

1шт.

8

14305521

HEX SOC SCREW,M6 x 30mm, Cl 8.8, Full Thd

4шт.

9

86978771

UNION,16mm L

1шт.

10

84426843

BRACKET

1шт.

11

86639085

BHD LOCK NUT,1"-14, Bulkhead

1шт.

Выбрано товаров: 11