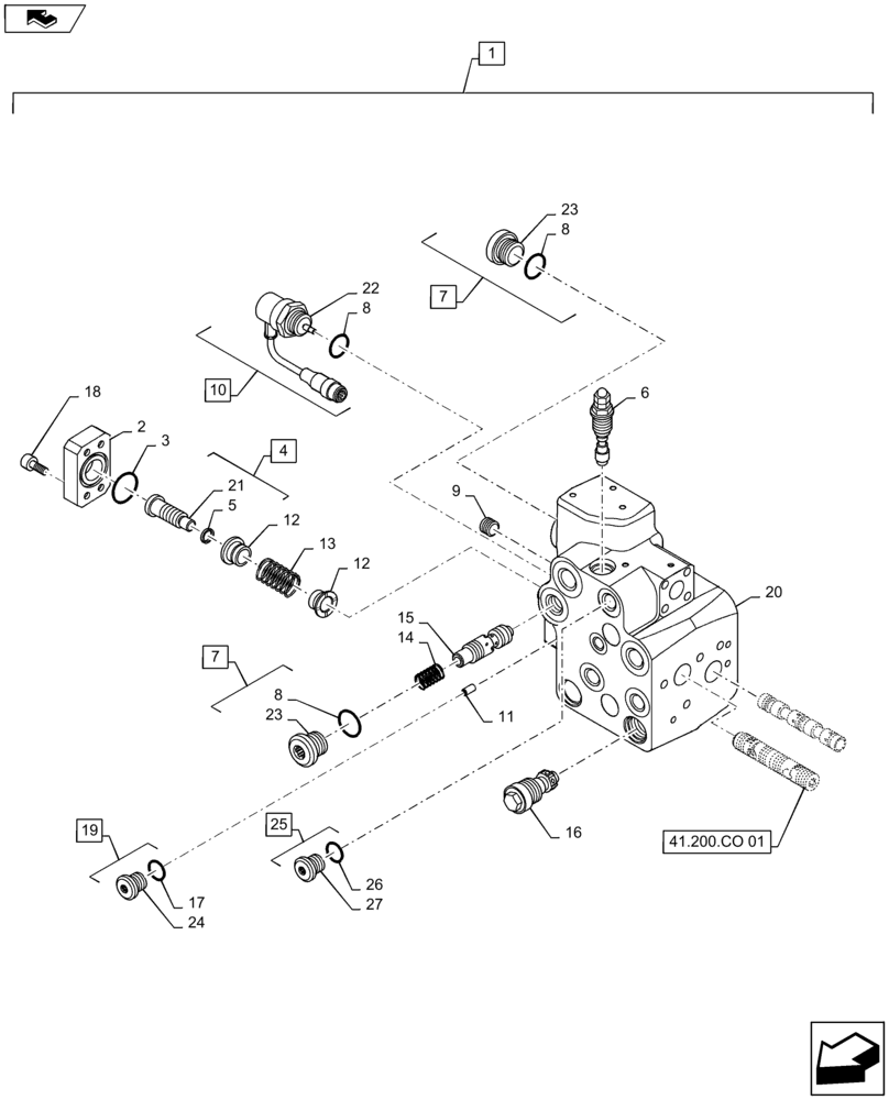
Запчасти Case IH MAXXUM 140 (41.200.CO[02]) - VAR - 330631, 336631, 743723 - FAST STEERING - VALVE BREAKDOWN (41) - STEERING

Схема запчастей Case IH MAXXUM 140 - (41.200.CO[02]) - VAR - 330631, 336631, 743723 - FAST STEERING - VALVE BREAKDOWN (41) - STEERING
18
3
15
12
6
19
13
8
home
7
12
17
9
5
11
23
4
23
27
8
26
21
24
41.200.co 01
22
25
20
10
2
16
8
7
14
1
FIT
1:1
100%

Артикул

Название

Примечание

Количество

1

87525763

HYDRAULIC VALVE

Incl 2 - 27 and Parts from Figure 41.200.CO 01

1шт.

2

47128848

FLANGE

1шт.

3

14453981

O-RING,0.989" ID x 0.07" Width

1шт.

4

47128851

PIN,Hex Socket, M8 x 25.00mm

Incl 5, 21

1шт.

5

47129253

SEALING RING

1шт.

6

47128859

VALVE

1шт.

7

47128844

PLUG

Incl 8, 23

2шт.

8

5135738

O-RING,0.103" Thk x 0.674" ID, -115, 80 Duro

2шт.

9

10269401

PLUG,Taper Thd, Hex Skt, M12 x 1.5 x 11mm, 4.8

1шт.

10

47128860

SENSOR

Incl 8, 22

1шт.

11

47128850

SCREW

1шт.

12

47128852

BUSHING

2шт.

13

47128855

SPRING

1шт.

14

47128856

SPRING

1шт.

15

47131162

VALVE

1шт.

16

47128857

VALVE

2шт.

17

14452980

O-RING,9.25mm ID x 1.78" Width

1шт.

18

14305773

SCREW,M6 x 14mm

4шт.

19

47128841

PLUG

Incl 17, 24

1шт.

20

NSS

NOT SOLD SEPARAT

Valve Body, Incl in 1

1шт.

21

NSS

NOT SOLD SEPARAT

Pin, Incl in 4

1шт.

22

NSS

NOT SOLD SEPARAT

Sensor, Incl in 10

1шт.

23

NSS

NOT SOLD SEPARAT

Plug, Incl in 7

2шт.

24

NSS

NOT SOLD SEPARAT

Plug, Incl in 19

1шт.

25

47128842

PLUG,M12 x 1.5 x 17mm, w/Seal

Incl 26, 27

1шт.

26

47129249

O-RING,0.362" ID x 0.568" OD x 0.103"

1шт.

27

NSS

NOT SOLD SEPARAT

Plug, Incl in 25

1шт.

Выбрано товаров: 27