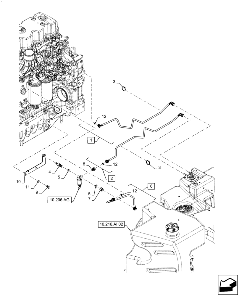
Запчасти Case IH MAXXUM 140 (10.216.BA[02]) - FUEL LINES (10) - ENGINE

Схема запчастей Case IH MAXXUM 140 - (10.216.BA[02]) - FUEL LINES (10) - ENGINE
4
6
1
3
10.216.ai 02
8
7
10
11
9
5
12
12
2
12
3
5
10.206.ag
FIT
1:1
100%

Артикул

Название

Примечание

Количество

1

84512473

FUEL TUBE

Incl 12

1шт.

2

84512484

FUEL TUBE

Incl 12

1шт.

3

9994404

HOSE CLIP

1шт.

4

87585662

HYD CONNECTOR,M12 x 1.75 x M14 x 1.5

1шт.

5

87590622

SEALING WASHER,14.7mm ID x 22mm OD x 1.5mm Thk

3шт.

6

84325908

FUEL TUBE

Incl 12

1шт.

7

87585673

HYD CONNECTOR

1шт.

8

4893833

HYD CONNECTOR

1шт.

9

11112121

SCREW,Hex, M12 x 20mm, Cl 8.8, Full Thd

2шт.

10

84317315

BRACKET

1шт.

11

86511324

WASHER,13mm ID x 24mm OD x 2.5mm Thk

2шт.

12

4894095

O-RING,2.5mm Thk x 8mm ID, 60 Duro

3шт.

Выбрано товаров: 12