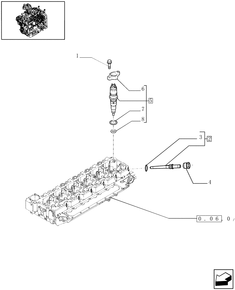
Запчасти Case IH MAXXUM 140 (0.14.0/02[03]) - INJECTION EQUIPMENT - INJECTOR (STD + VAR.330003-332115-332116) (01) - ENGINE

Схема запчастей Case IH MAXXUM 140 - (0.14.0/02[03]) - INJECTION EQUIPMENT - INJECTOR (STD + VAR.330003-332115-332116) (01) - ENGINE
2
1
5
0.06.0/03
4
7
6
3
8
FIT
1:1
100%

Артикул

Название

Примечание

Количество

1

4895483

BOLT,Flng, M6 x 1 x 35mm

12шт.

2

2854606

FUEL TUBE,Connector Assembly

ASSY

6шт.

3

4890929

O-RING,3mm Thk x 11mm ID

1шт.

4

4893739

TUBE NUT,Hex, M22 x 1.5

6шт.

5

2854608

FUEL SYSTEM INJECTOR

ASSY

6шт.

5

2854608R

REMAN-FUEL INJECTOR

Maxxum 115, Use w/ Eng. P/N's 87541995(unboosted) & 87541994(boosted)Tier 3

6шт.

*

Maxxum 125, Use w/Eng. P/N's 87541993(unboosted) & 87318895(boosted) Tier 3

1шт.

*

Maxxum 140, Use w/ Eng. P/N's 87318896(unboosted) & 87318893(unboosted) Tier 3

1шт.

5

2854608C

CORE-FUEL INJECTOR

Return Number

6шт.

6

2854609

BRACKET

1шт.

7

4890926

O-RING,3mm Thk x 20.9mm ID, 60 Duro

1шт.

8

4899689

SEALING WASHER,7mm ID x 15mm OD x 1.5mm Thk

1шт.

Выбрано товаров: 12