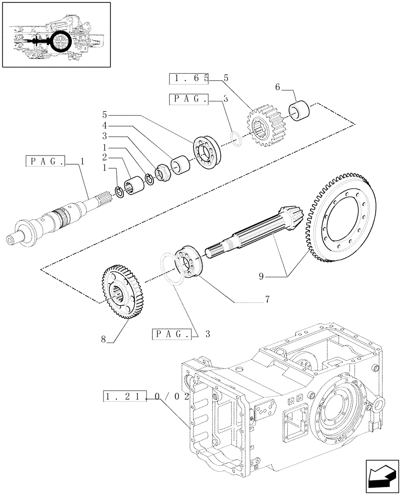
Запчасти Case IH MAXXUM 140 (1.32.1/02[02]) - TRANSMISSION 16X16 AND 17X16 (40 KM/H) - PINION AND CROWN GEAR (STD + VAR.330283) (03) - TRANSMISSION

Схема запчастей Case IH MAXXUM 140 - (1.32.1/02[02]) - TRANSMISSION 16X16 AND 17X16 (40 KM/H) - PINION AND CROWN GEAR (STD + VAR.330283) (03) - TRANSMISSION
8
1
3
2
1
5
4
7
6
pag. 3
pag. 1
pag. 3
9
1.65.5
1.21.0/02
FIT
1:1
100%

Артикул

Название

Примечание

Количество

1

13421576

SNAP RING,M35, Int

2шт.

2

5192041

SLEEVE

1шт.

3

5147930

RING NUT,M45 x 1.5

1шт.

4

5192043

SPACER

1шт.

5

5138727

BEARING ASSY,45mm ID x 106mm OD x 27.25mm W

45 x 100 x 27.25

1шт.

6

5198801

SPACER

1шт.

7

5128721

TAPERED BEARING,55mm ID x 120mm OD x 45.5mm W

55 x 120 x 45.5

1шт.

8

5195998

GEAR

1шт.

9

5196680

BEVEL GEAR

RATIO 9/47

1шт.

Выбрано товаров: 0