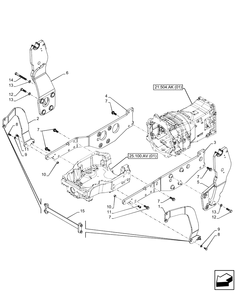
Запчасти Case IH MAXXUM 145 (82.100.AK[03]) - VAR - 758352, 758353, 758354 - FRONT LOADER, SIDE MEMBER, NA (82) - FRONT LOADER & BUCKET

Схема запчастей Case IH MAXXUM 145 - (82.100.AK[03]) - VAR - 758352, 758353, 758354 - FRONT LOADER, SIDE MEMBER, NA (82) - FRONT LOADER & BUCKET
25.100.av (01)
9
11
8
2
11
5
13
6
7
12
13
7
8
10
1
7
7
4
14
3
9
10
13
12
7
15
21.504.ak (01)
FIT
1:1
100%

Артикул

Название

Примечание

Количество

1

47655787

BRACKET

LH Grill Guard

1шт.

2

47655796

BRACKET

RH Grill Guard

1шт.

3

47673686

FRAME

LH

1шт.

4

47673674

FRAME

RH

1шт.

5

47655872

BRACKET

LH Tower

1шт.

6

47655890

BRACKET

RH Tower

1шт.

7

82020153

BOLT,Flng, M20 x 2.5 x 58mm, Cl 12.9

18шт.

8

11127521

BOLT,Hex, M16 x 35, 8.8

2шт.

9

86511326

WASHER,17mm ID x 30mm OD x 3mm Thk

2шт.

10

47673848

SPACER

2шт.

11

47657971

SCREW,Hex, M16 x 2 x 25mm L

2шт.

12

11125234

SCREW,Hex, M20 x 75mm, Cl 10.9

7шт.

13

14497124

WASHER,21mm ID x 37mm OD x 3mm Thk

21 x 37 x 3

8шт.

14

15204134

BOLT,Hex, M20 x 2.5 x 190mm, Cl 10.9

1шт.

15

47655747

BRACKET

1шт.

Выбрано товаров: 15