Запчасти Case IH MAXXUM 145 (10.000.00[01]) - SECTION INDEX - ENGINE (10) - ENGINE

Схема запчастей Case IH MAXXUM 145 - (10.000.00[01]) - SECTION INDEX - ENGINE (10) - ENGINE
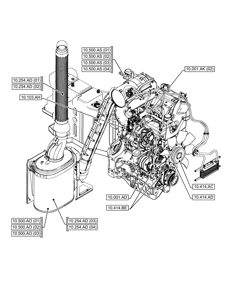
10.500.as (04)
10.500.as (01)
10.001.ad
10.500.ao (03)
10.103.ah
10.254.ad (04)
10.414.ad
10.500.as (03)
10.254.ad (03)
10.500.ao (02)
10.254.ad (02)
10.254.ad (01)
10.414.ac
10.500.as (02)
10.001.ak (02)
10.414.be
10.500.ao (01)
FIT
1:1
100%