Качественные детали и логистика
Оригинальные и аналоговые запчасти с доставкой по России, Казахстану и Беларуси
©2022 PartSell ООО "Система" ИНН 2463123282 ОГРН 1212400004838
Центральный офис: г. Красноярск, Академика Киренского, д.87, пом.4
Телефон: 8 (800) 777-65-74 Email: zakaz@partsell.ru
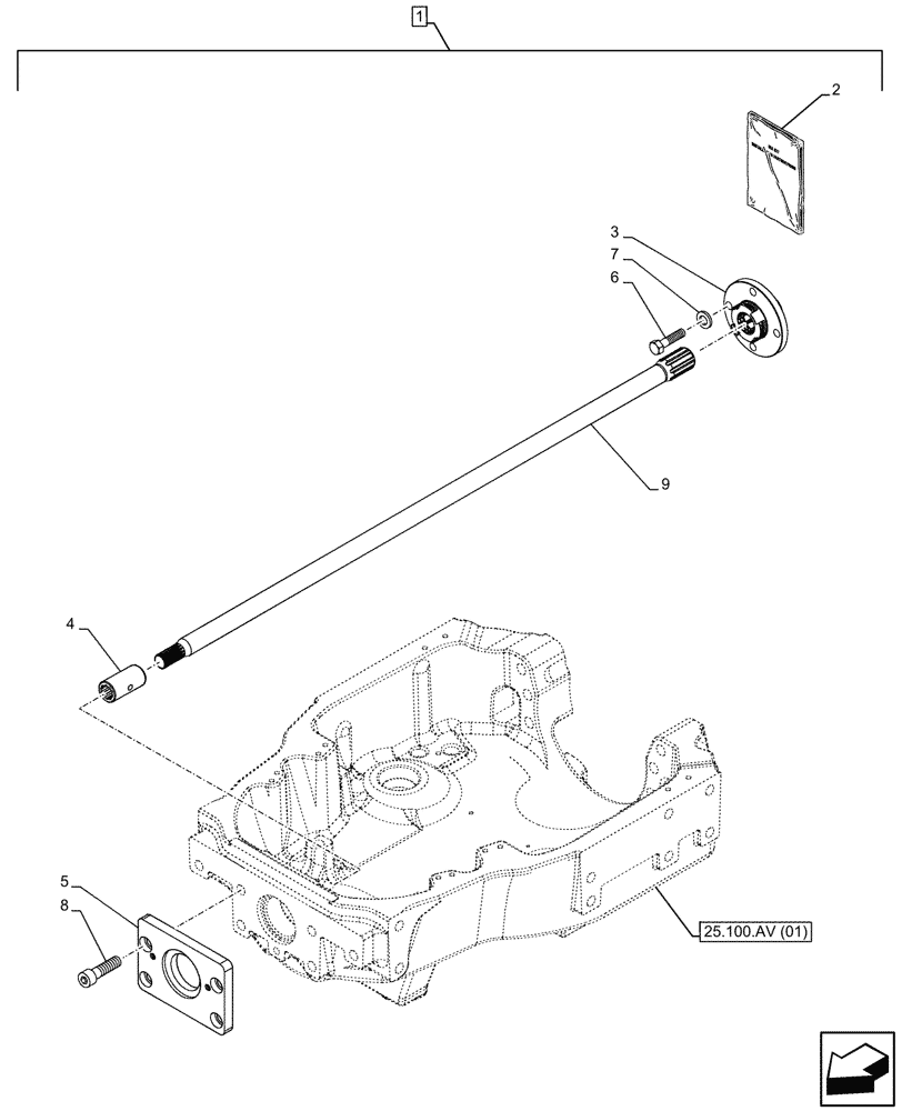
(88.100.31[01]) - DIA KIT, HYDRAULIC PUMP, DRIVE SHAFT
№
Артикул
Название
Примечание
Количество
1
718770014
DIA KIT, TRACTOR
Hydraulic Pump Driveshaft, Incl 2 - 9
1шт.
2
87588838
INSTRUCTION
3
47127689
HUB
4
7707570
SPLINED COUPLING,13T
5
84363535
MOUNTING PLATE
6
11112624
BOLT,M12 x 35, 8.8, Full Thd
For 4 Cylinder Engine
4шт.
11113221
SCREW,Hex, M12 x 1.75 x 50 mm, Cl 8.8
For 6 Cylinder Engine
7
12605779
LOCK WASHER,Serr, M12
8
87733367
HEX SOC SCREW,M20 x 50mm, Cl 12.9, Full Thd
9
82037587
DRIVE SHAFT
Выбрано товаров: 0