Запчасти Case IH MAXXUM 145 (88.100.33[09]) - DIA KIT, PNEUMATIC TRAILER BRAKE, UNIVERSAL (88) - ACCESSORIES

Схема запчастей Case IH MAXXUM 145 - (88.100.33[09]) - DIA KIT, PNEUMATIC TRAILER BRAKE, UNIVERSAL (88) - ACCESSORIES
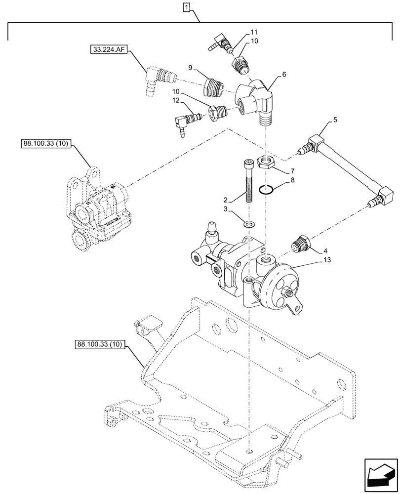
33.224.af
5
7
6
1
10
4
13
11
2
12
10
9
8
3
88.100.33 (10)
88.100.33 (10)
FIT
1:1
100%

Артикул

Название

Примечание

Количество

1

718266034

DIA KIT, TRACTOR

Universal Pneumatic Air Brake Finishing Kit, Incl 2 - 13

1шт.

To See Full DIA KIT Composition Look for all the Figures Where the DIA KIT P/N Is Shown

1шт.

2

14308934

HEX SOC SCREW,M8 x 1.25 x 60mm, Cl 10.9

2шт.

3

10516679

LOCK WASHER,Helical Spring, 8.20mm ID x 14.80mm OD x 2.20mm, C72, ZNM

2шт.

4

87588079

HYD CONNECTOR,M16 x 1.5

1шт.

5

84157672

FLEXIBLE HOSE,12.00mm OD x 123.00mm

DLCV to 2 Way Valve

1шт.

6

82019795

FITTING

1шт.

7

82019796

LOCK NUT

1шт.

8

82019797

O-RING,2.5mm Thk x 14mm ID

1шт.

9

82034157

ADAPTER

1шт.

10

82036187

HYD CONNECTOR,M16 x 1.5

2шт.

11

87677917

TUBE

Valve to Handbrake Solenoid, 285mm

1шт.

12

87677915

TUBE

Valve to Advance Solenoid, 315mm

1шт.

13

82016341

TRAILER BRAKE VALVE

1шт.

Выбрано товаров: 14