Запчасти Case IH MAXXUM 145 (23.314.AF[03]) - VAR - 758422, 758423, 758427, 758428 - DRIVE SHAFT, SUSPENDED FRONT AXLE, CYLINDER (23) - FOUR WHEEL DRIVE SYSTEM

Схема запчастей Case IH MAXXUM 145 - (23.314.AF[03]) - VAR - 758422, 758423, 758427, 758428 - DRIVE SHAFT, SUSPENDED FRONT AXLE, CYLINDER (23) - FOUR WHEEL DRIVE SYSTEM
23.314.af (01)
8
17
3
5
16
13
1
12
9
14
14
15
6
4
7
13
12
8
14
11
6
7
2
14
9
10
23.314.af (04)
25.100.av (02)
25.122.ad (01)
23.314.af (05)
FIT
1:1
100%

Артикул

Название

Примечание

Количество

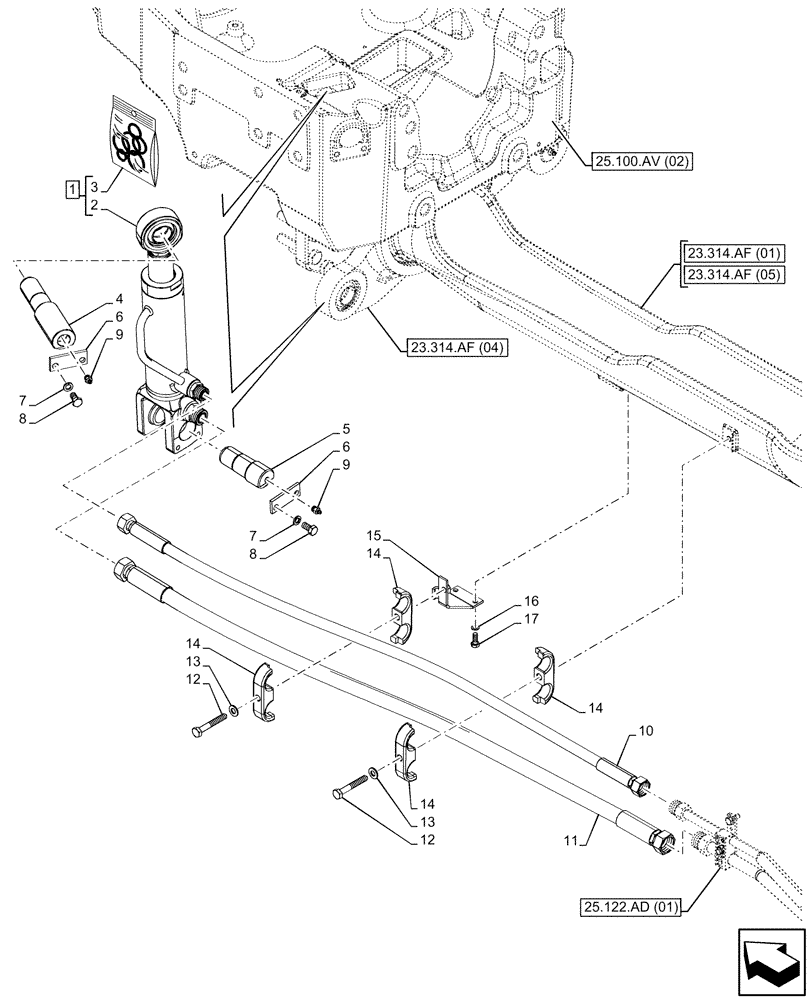
1

47625388

HYDRAULIC CYLINDER,45mm Rod, 152mm Stroke

1шт.

2

NSS

NOT SOLD SEPARAT

Cylinder, Incl in 1

1шт.

3

47652405

SEAL KIT

1шт.

4

87340146

PIN,34mm OD x 89.7mm L

1шт.

5

87311698

PIN,34mm OD x 68mm L

1шт.

6

82016870

BRACKET

2шт.

7

85700672

LOCK WASHER,M10

4шт.

8

43138

BOLT,Hex, M10 x 1.5 x 20mm, Cl 8.8

4шт.

9

13407211

LUBE NIPPLE,M10 x 1

2шт.

10

84347954

HOSE ASSY.,12.70mm ID x 1200mm L, SAE 100R16

Delivery, Axle Suspension Cylinder

1шт.

11

87618806

FLEXIBLE HOSE,19.10mm ID x 1295mm L, SAE 100R16

Return, Axle Suspension Cylinder

1шт.

12

11107621

BOLT,Hex, M10 x 70mm, Cl 8.8

2шт.

13

14496601

WASHER,10.5mm ID x 21mm OD x 2mm Thk

2шт.

14

82022172

CLAMP,2 Hoses

4шт.

15

82033192

BRACKET

1шт.

16

83963081

LOCK WASHER,Serr, 8.20mm ID x 14mm OD

2шт.

17

120104

BOLT,Hex, M8 x 1.25 x 20mm, Cl 8.8

2шт.

Выбрано товаров: 0