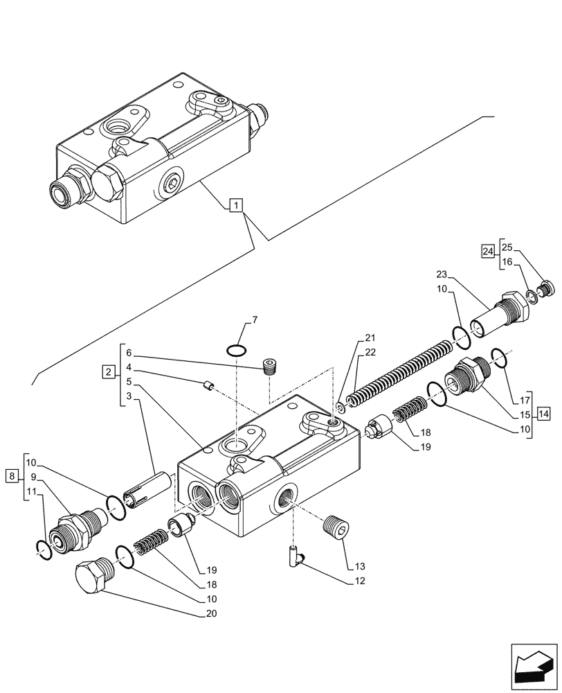
Запчасти Case IH MAXXUM 145 (31.104.AR[22]) - VAR - 759375, 759377 - PTO CLUTCH, PRESSURE CONTROL VALVE (30KPH) (16X16) (31) - IMPLEMENT POWER TAKE OFF

Схема запчастей Case IH MAXXUM 145 - (31.104.AR[22]) - VAR - 759375, 759377 - PTO CLUTCH, PRESSURE CONTROL VALVE (30KPH) (16X16) (31) - IMPLEMENT POWER TAKE OFF
21
18
18
4
25
11
7
6
23
9
24
10
10
16
15
12
10
2
22
17
5
19
1
20
14
10
8
3
13
19
FIT
1:1
100%

Артикул

Название

Примечание

Количество

1

47618918

VALVE, PRESSURE CONT

ASSY, Incl 2 - 25

1шт.

2

84135997

MANIFOLD VALVE

ASSY, Incl 3 - 6

1шт.

3

47137762

VALVE,12.5mm ID x 16mm OD x 47mm Thk

1шт.

4

14536290

PLUG,6mm

1шт.

5

NSS

NOT SOLD SEPARAT

Body, Incl in 2

1шт.

6

14326004

PLUG,Hex Socket, M10 x 1.25 x 11.00mm, STL, DAC

1шт.

7

14457180

O-RING,0.103" Thk x 0.549" ID, -113, Cl 5, 75 Duro

1шт.

8

87692954

HYD CONNECTOR

ASSY, Incl 9, 10 (Qty 1), 11

1шт.

9

NSS

NOT SOLD SEPARAT

Connector, Incl in 8

1шт.

10

14438085

O-RING,19.3mm ID x 2.4mm

4шт.

11

5185512

O-RING,0.07" Thk x 0.614" ID, -16, Cl 6, 90 Duro

1шт.

12

47137823

HYD CONNECTOR

1шт.

13

83931497

PLUG,3/8-18 x 0.42

1шт.

14

87312664

HYD CONNECTOR

ASSY, Incl 10 (Qty 1), 15, 17

1шт.

15

NSS

NOT SOLD SEPARAT

Connector, Incl in 14

1шт.

16

14437585

O-RING,8.00mm ID x 1.50mm

1шт.

17

5185511

O-RING,1.78mm Thk x 12.42mm ID, 85 Duro

1шт.

18

5159185

SPRING,Compression, 12.5mm OD x 32.5mm L

2шт.

19

5169565

VALVE,By-Pass

2шт.

20

47123781

PLUG,M22 x 1.5

1шт.

21

12637804

WASHER,5.15mm ID x 11mm OD x 1mm Thk

1шт.

22

47618924

COMPRESSION SPRING

1шт.

23

84332904

PLUG,M22 x 1.5

1шт.

24

10118540

PLUG,M10 x 1 x 11, Brass

ASSY, Incl 16, 25

1шт.

25

NSS

NOT SOLD SEPARAT

Plug, Incl in 24

1шт.

Выбрано товаров: 25