Запчасти Case IH MAXXUM 145 (55.048.AI[02]) - VAR - 390801, 390802, 758436, 758437, 758584, 758585 - PTO, SPEEDOMETER, VARIABLE SPEED (55) - ELECTRICAL SYSTEMS

Схема запчастей Case IH MAXXUM 145 - (55.048.AI[02]) - VAR - 390801, 390802, 758436, 758437, 758584, 758585 - PTO, SPEEDOMETER, VARIABLE SPEED (55) - ELECTRICAL SYSTEMS
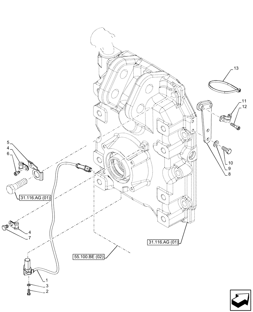
31.116.ag (01)
9
11
5
2
7
13
1
12
4
4
3
10
8
6
55.100.be (02)
31.116.ag (01)
FIT
1:1
100%

Артикул

Название

Примечание

Количество

1

87564763

SENSOR

PTO Speedometer

1шт.

2

10977524

BOLT,Hex, M5 x 10mm, Cl 8.8, Full Thd

2шт.

3

10571474

LOCK WASHER,5.10mm ID x 9.20mm OD x 1.20mm, C72, DAC

2шт.

4

10449890

CLAMP,6mm, Coat, 9mm Bolt Hole, P Type

1шт.

5

47562468

BRACKET

1шт.

6

14305021

HEX SOC SCREW,M6 x 10mm, Cl 8.8, Full Thd

1шт.

7

16042924

SCREW,Hex, M8 x 1.25 x 10mm, Cl 8.8, Full Thd

1шт.

8

87622226

BRACKET

1шт.

9

14496521

WASHER,8.4mm ID x 17mm OD x 1.6mm Thk

2шт.

10

16043421

BOLT,Hex, M8 x 1.25 x 20mm, Cl 8.8, Full Thd

2шт.

11

82026579

CLAMP,44.4mm L x 16mm W

1шт.

12

14305424

HEX SOC SCREW,M6 x 25mm, Cl 8.8, Full Thd

2шт.

13

14560287

CABLE TIE,207.00mm L

1шт.

Выбрано товаров: 13