Запчасти Case IH MAXXUM 145 (55.100.AW[02]) - VAR - 394835, 758441 - OIL PUMP, SENSOR, HARNESS (55) - ELECTRICAL SYSTEMS

Схема запчастей Case IH MAXXUM 145 - (55.100.AW[02]) - VAR - 394835, 758441 - OIL PUMP, SENSOR, HARNESS (55) - ELECTRICAL SYSTEMS
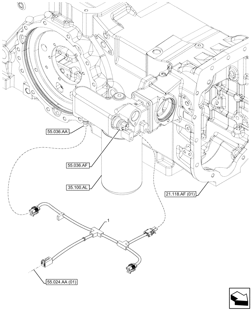
35.100.al
1
21.118.af (01)
55.024.aa (01)
55.036.af
55.036.aa
FIT
1:1
100%

Артикул

Название

Примечание

Количество

1

82034340

WIRE HARNESS

1шт.

Выбрано товаров: 1