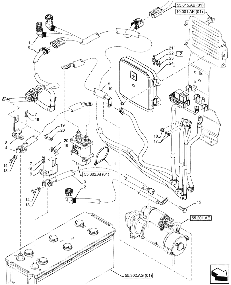
Запчасти Case IH MAXXUM 145 (55.302.AV[06]) - VAR - 392407, 758407 - BATTERY CABLE (55) - ELECTRICAL SYSTEMS

Схема запчастей Case IH MAXXUM 145 - (55.302.AV[06]) - VAR - 392407, 758407 - BATTERY CABLE (55) - ELECTRICAL SYSTEMS
10.001.ak (01)
19
24
4
16
11
7
6
20
13
8
23
16
14
21
7
19
20
15
13
14
5
2
9
22
3
1
17
18
12
10
55.302.ai (01)
55.201.ae
55.015.ab (01)
55.302.ag (01)
FIT
1:1
100%

Артикул

Название

Примечание

Количество

1

47720907

WIRE HARNESS

PDU 4Cyl

1шт.

2

47720910

WIRE HARNESS

PDU Ground 4Cyl

1шт.

3

47494812

WIRE HARNESS

Battery neg

1шт.

4

47610976

CABLE

Battery pos

1шт.

5

47725730

WIRE HARNESS

1шт.

6

47567149

WIRE HARNESS

BDS to Starter Motor 4Cyl

1шт.

7

10902280

BOLT,Hex, M6 x 16mm

2шт.

8

47633481

PLATE

1шт.

9

47633514

PLATE

1шт.

10

14059211

FLANGE NUT,M6 x 1, Flg, Cl 8

4шт.

11

14560287

CABLE TIE,207.00mm L

1шт.

12

47581643

FUSE BOX

ASSY, Incl 21 - 24

1шт.

13

14496501

WASHER,8.4mm ID x 17mm OD x 1.6mm Thk

2шт.

14

16043221

BOLT,Hex, M8 x 16mm, Cl 8.8, Full Thd

2шт.

15

11106421

SCREW,Hex, M10 x 1.5 x 30mm, Cl 8.8

1шт.

16

10571579

LOCK WASHER,M6

2шт.

17

86512495

FLANGE NUT,Hex, M5, Cl 8

2шт.

18

9804277

FLANGE NUT,Hex, M8 x 1.25, Cl 8

1шт.

19

12640601

WASHER,6.15mm ID x 25mm OD x 2mm Thk

2шт.

20

47778125

SLEEVE

1шт.

21

82033972

FUSE,250A

250A

1шт.

22

87390344

FUSE,30A, MIDIVAL

1шт.

23

84320118

FUSE,40A, Midival

1шт.

24

NSS

NOT SOLD SEPARAT

Box, Incl in 12

1шт.

Выбрано товаров: 24