Запчасти Case IH MAXXUM 150 (10.216.BA[03]) - VAR - 758223, 758235, 758240, 758241, 758527, 758530 - FUEL TANK, LINE, 6 CYLINDER (10) - ENGINE

Схема запчастей Case IH MAXXUM 150 - (10.216.BA[03]) - VAR - 758223, 758235, 758240, 758241, 758527, 758530 - FUEL TANK, LINE, 6 CYLINDER (10) - ENGINE
10.001.ad
2
1
10.216.ai (01)
10.206.af (03)
FIT
1:1
100%

Артикул

Название

Примечание

Количество

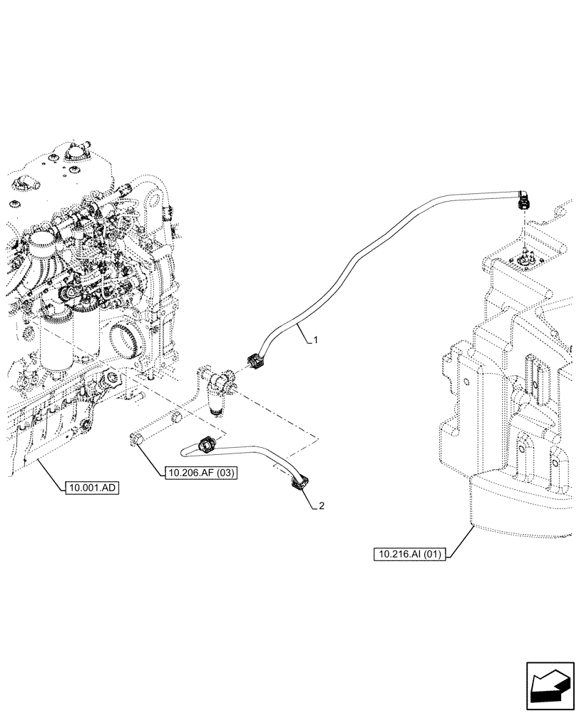
1

47468430

FUEL TUBE

1шт.

2

47468432

FUEL TUBE

1шт.

Выбрано товаров: 2