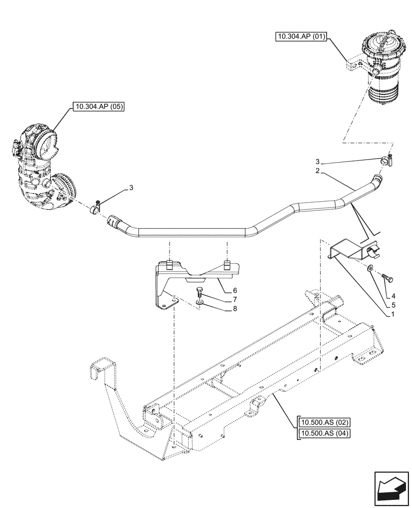
Запчасти Case IH MAXXUM 150 (10.304.AP[05]) - VAR - 392194, 758400 - BLOW-OFF SYSTEM (10) - ENGINE

Схема запчастей Case IH MAXXUM 150 - (10.304.AP[05]) - VAR - 392194, 758400 - BLOW-OFF SYSTEM (10) - ENGINE
10.304.ap (05)
1
2
3
3
6
8
7
5
4
10.500.as (02)
10.500.as (04)
10.304.ap (01)
FIT
1:1
100%

Артикул

Название

Примечание

Количество

1

47771803

BRACKET

1шт.

2

47674875

INTAKE AIR HOSE

1шт.

3

82039344

HOSE CLAMP,20mm - 32mm

2шт.

4

16043821

SCREW,Hex, M8 x 1.25 x 30mm, Cl 8.8, Full Thd

1шт.

5

86625263

WASHER,9mm ID x 20mm OD x 1.6mm Thk

1шт.

6

47891773

BRACKET

Cnh Black

1шт.

7

11106321

BOLT,Hex, M10 x 28, 8.8, Full Thd

2шт.

8

86625253

WASHER,11mm ID x 24mm OD x 2mm Thk

2шт.

Выбрано товаров: 8