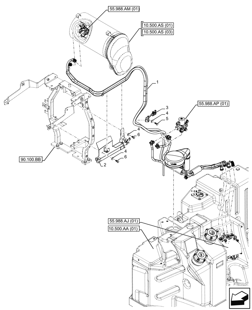
Запчасти Case IH MAXXUM 150 (10.500.AD[02]) - VAR - 392195, 392204, 743764, 743766, 758413, 758414, 758415, 758416, 758581, 759375, 759377, 759379 - DEF/ADBLUE™ LINES (10) - ENGINE

Схема запчастей Case IH MAXXUM 150 - (10.500.AD[02]) - VAR - 392195, 392204, 743764, 743766, 758413, 758414, 758415, 758416, 758581, 759375, 759377, 759379 - DEF/ADBLUE™ LINES (10) - ENGINE
10.500.as (03)
2
4
6
6
5
1
4
4
3
10.500.aa (01)
55.988.am (01)
10.500.as (01)
90.100.bb
55.988.aj (01)
55.988.ap (01)
FIT
1:1
100%

Артикул

Название

Примечание

Количество

1

47714893

HOSE

Urea

1шт.

2

47798744

BRACKET

1шт.

3

47885867

SUPPORT

1шт.

4

86625263

WASHER,9mm ID x 20mm OD x 1.6mm Thk

3шт.

5

16043524

SCREW,Hex, M8 x 1.25 x 22mm, Cl 8.8, Full Thd

1шт.

6

16043421

BOLT,Hex, M8 x 1.25 x 20mm, Cl 8.8, Full Thd

2шт.

Выбрано товаров: 6