Запчасти Case IH MAXXUM 150 (31.116.AG[04]) - VAR - 758437 - PTO, COVER (540E/1000/1000E RPM) (31) - IMPLEMENT POWER TAKE OFF

Схема запчастей Case IH MAXXUM 150 - (31.116.AG[04]) - VAR - 758437 - PTO, COVER (540E/1000/1000E RPM) (31) - IMPLEMENT POWER TAKE OFF
31.116.ab (03)
19
15
13
21
24
11
3
26
25
1
26
7
14
17
18
22
23
5
9
10
8
12
16
4
2
20
6
31.116.af (03)
31.116.af (04)
31.116.ah (01)
31.116.ac (04)
FIT
1:1
100%

Артикул

Название

Примечание

Количество

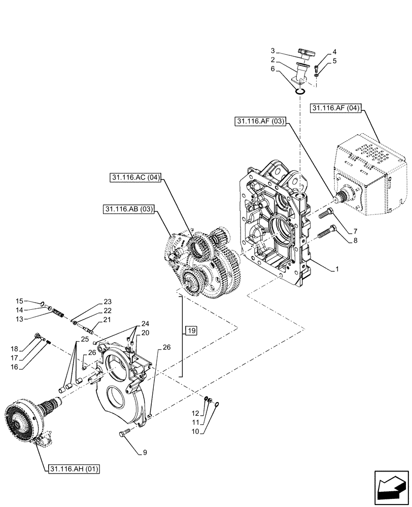
1

47131252

HOUSING

1шт.

2

47135307

FILLER

1шт.

3

82005372

FILLER CAP,Male, Vented_No Lockable

1шт.

4

14306324

HEX SOC SCREW,M8 x 1.25 x 20mm, Cl 8.8, Full Thd

1шт.

5

11193874

BELLEVILLE WASHER,M8 Bolt Size x 16mm OD x 1.4mm Thk

1шт.

6

14458280

O-RING,31.42mm ID x 2.62mm

1шт.

7

15981024

SCREW,Hex, M16 x 1.5 x 55mm, Cl 8.8

7шт.

8

11254124

BOLT,Hex, M16 x 1.5 x 80mm, Cl 8.8

4шт.

9

15540624

BOLT,Hex, M12 x 1.25 x 40mm, Cl 8.8, Full Thd

4шт.

10

11057776

SNAP RING,M19, Int

1шт.

11

47128597

PLUG,6mm ID x 19mm OD x 13mm L

1шт.

12

14453180

O-RING,12.42mm ID x 1.78mm

1шт.

13

84281722

SPRING,Compression, 15mm OD x 80mm L

1шт.

14

84544133

PLUG,8mm ID

1шт.

15

13420576

SNAP RING,M16, Int

1шт.

16

5128251

SPRING,Compression, 8.5mm OD x 20mm L

1шт.

17

5193099

PAWL,8.5mm D x 22.5mm L

1шт.

18

5193100

PLUG,Hex, M14 x 1.5

1шт.

19

87673377

COVER

ASSY, Incl 20 - 26

1шт.

20

NSS

NOT SOLD SEPARAT

Support, Incl in 19

1шт.

21

82990921

VALVE,11.991mm/11.995mm OD x 85.5mm L, Class B

Valve Class B, External Diameter 11.991 - 11.995

1шт.

21

82990922

VALVE,11.996mm/12.000mm OD x 85.5mm L, Class C

Valve Class C, External Diameter 11.996 - 12.000

1шт.

21

82990923

VALVE,12.001mm/12.005mm OD x 85.5mm L, Class D

Valve Class D, External Diameter 12.001 - 12.005

1шт.

21

82990924

VALVE,11.986mm/11.990mm OD x 85.5mm L, Class A

Valve Class A, External Diameter 11.986 - 11.990

1шт.

22

13397370

SNAP RING,M8, Int

1шт.

23

84271074

SPACER,8mm ID x 15.6mm OD x 10mm L

1шт.

24

14326001

PLUG,Hex Skt, M10 x 1.25 x 11mm, Cl 4.8

3шт.

25

5129030

BUSHING,16.04mm ID x 18mm OD x 20mm L

3шт.

26

10839710

DOWEL,M10 x 15.00mm

2шт.

Выбрано товаров: 0