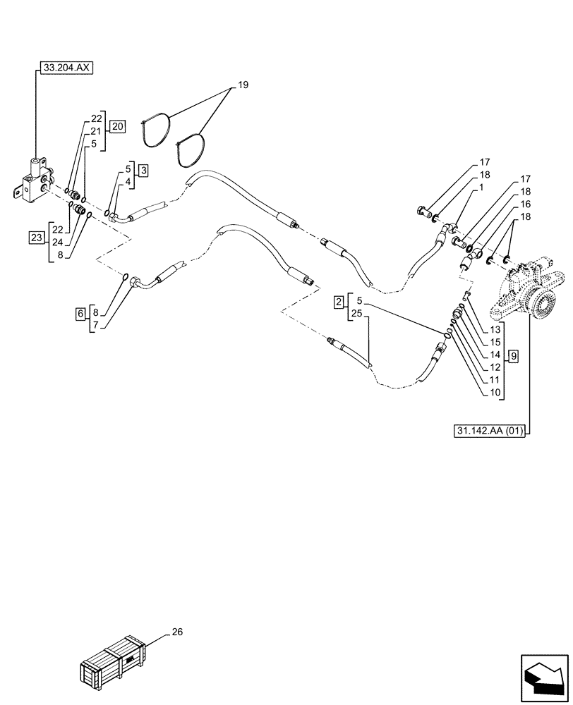
Запчасти Case IH MAXXUM 150 (31.142.AF[05]) - VAR - 744790 - FRONT PTO, LINE (31) - IMPLEMENT POWER TAKE OFF

Схема запчастей Case IH MAXXUM 150 - (31.142.AF[05]) - VAR - 744790 - FRONT PTO, LINE (31) - IMPLEMENT POWER TAKE OFF
33.204.ax
22
22
15
13
3
5
9
1
5
26
16
17
5
12
23
20
14
18
7
17
6
19
8
4
2
8
11
18
10
18
25
21
24
31.142.aa (01)
FIT
1:1
100%

Артикул

Название

Примечание

Количество

1

47492022

FLEXIBLE HOSE,6.30mm ID x 793mm, SAE J517 100R2

from Front Brake Valve, 6.30mm ID x 793mm

1шт.

2

47631516

HOSE,6.30mm ID x 710mm L

ASSY, to Front Brake Valve, 6.30mm ID x 710mm, Incl 5 (Qty 1), 25

1шт.

3

47632979

HYDRAULIC HOSE,6.3 mm ID x 1310mm L

ASSY, from Front Brake Valve, 1310mm, Incl 4, 5 (Qty 1)

1шт.

4

NSS

NOT SOLD SEPARAT

Hose, Incl in 3

1шт.

5

9993141

O-RING,0.07" Thk x 0.364" ID, -12, Cl 6, 90 Duro

3шт.

6

47538410

HOSE,6.35mm ID x 1240mm L, SAE 100R2

ASSY, to Front Brake Valve, Incl 7, 8 (Qty 1)

1шт.

7

NSS

NOT SOLD SEPARAT

Hose, Incl in 6

1шт.

8

9992298

O-RING,0.07" Thk x 0.489" ID, -14, Cl 6, 90 Duro

2шт.

9

47127491

HYD CONNECTOR,M10 x 1 x 7.4mm L

ASSY, Incl 10 - 15

1шт.

10

NSS

NOT SOLD SEPARAT

Orifice, Incl in 9

1шт.

11

14437585

O-RING,8.00mm ID x 1.50mm

1шт.

12

14437885

O-RING,13.30mm ID x 2.40mm

1шт.

13

47126655

FILTER STRAINER

1шт.

14

47127489

HYD CONNECTOR,11/16"-16, M16 x 1.5

1шт.

15

5185510

O-RING,1.78mm Thk x 9.25mm ID, 85 Duro

1шт.

16

47057815

TUBE

Front PTO Pressure

1шт.

17

10184411

BANJO BOLT,M16 x 1.5 x 31mm, R50

2шт.

18

5167639

SEALING WASHER,13.4mm ID x 24mm OD x 1.5mm Thk

4шт.

19

82001041

CABLE TIE,0.190" x 7.00" / 200 mm L

2шт.

20

86579672

HYD CONNECTOR,11/16"-16 ORFS x M16 x 1.5 ORB

ASSY, Incl 5 (Qty 1), 21, 22 (Qty 1)

1шт.

21

NSS

NOT SOLD SEPARAT

Connector, Incl in 20

1шт.

22

86598100

O-RING,2.2mm Thk x 13.3mm ID, Cl 6, 90 Duro

2шт.

23

47586692

HYD CONNECTOR

ASSY, Incl 8 (Qty 1), 22 (Qty 1), 24

1шт.

24

NSS

NOT SOLD SEPARAT

Connector, Incl in 23

1шт.

25

NSS

NOT SOLD SEPARAT

Hose, Incl in 2

1шт.

26

718041054

DIA KIT, TRACTOR

Front Power Take-Off W/6 Splines, Incl 1 - 19

1шт.

To See Full DIA KIT Composition Look for all the Figures Where the DIA KIT P/N Is Shown

1шт.

26

719098114

DIA KIT, TRACTOR

Front Power Take-Off for Hydraulic Power Lift W/6 Splines, Incl 1 - 19

1шт.

To See Full DIA KIT Composition Look for all the Figures Where the DIA KIT P/N Is Shown

1шт.

Выбрано товаров: 29