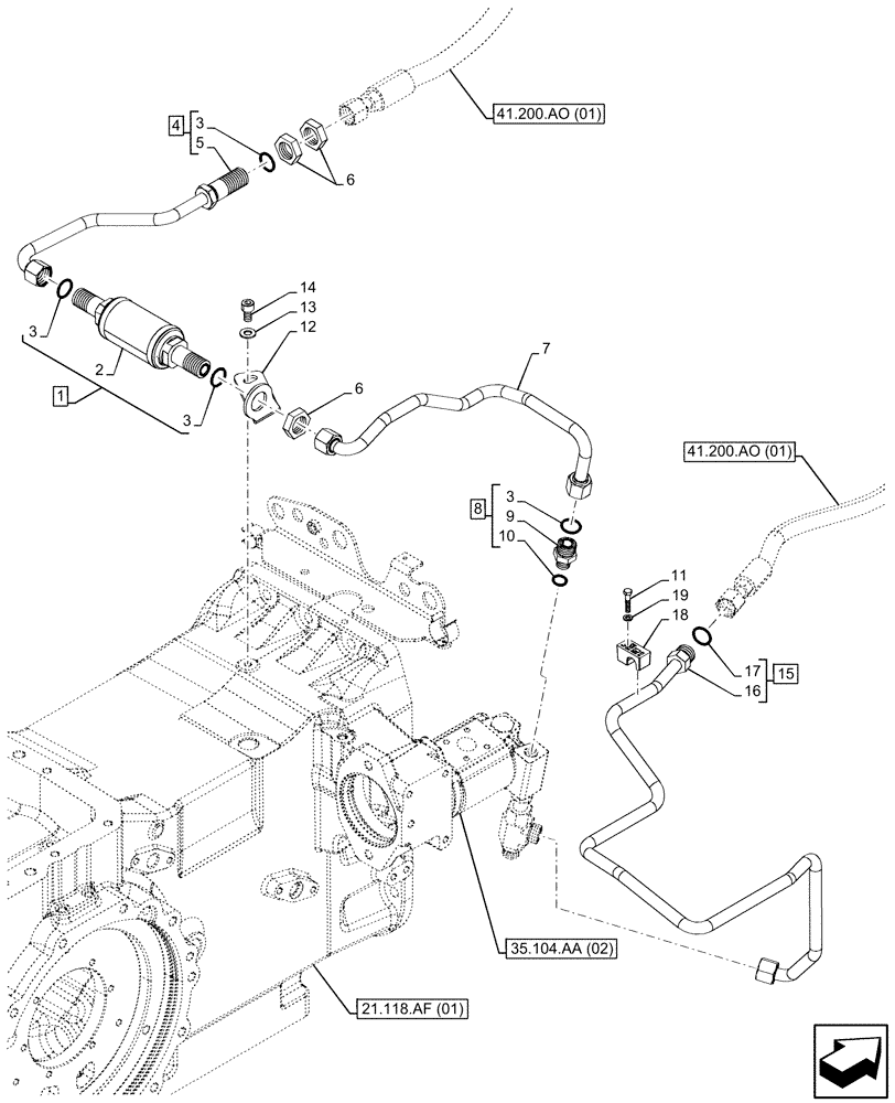
Запчасти Case IH MAXXUM 150 (41.200.AL[01]) - VAR - 394835, 758441 - HYDRAULIC STEERING, OIL FILTER (41) - STEERING

Схема запчастей Case IH MAXXUM 150 - (41.200.AL[01]) - VAR - 394835, 758441 - HYDRAULIC STEERING, OIL FILTER (41) - STEERING
35.104.aa (02)
16
19
13
8
10
18
6
15
1
5
6
3
2
3
3
7
14
17
3
9
11
4
12
41.200.ao (01)
41.200.ao (01)
21.118.af (01)
FIT
1:1
100%

Артикул

Название

Примечание

Количество

1

84565584

DAMPER

ASSY, Incl 2, 3 (Qty 2)

1шт.

2

NSS

NOT SOLD SEPARAT

Filter, Incl in 1

1шт.

3

9992069

O-RING,0.07" Thk x 0.614" ID, -16, Cl 6, 90 Duro

4шт.

4

47628525

PIPE

ASSY, Steering Unit Supply, Incl 3 (Qty 1), 5

1шт.

5

NSS

NOT SOLD SEPARAT

Pipe, Incl in 4

1шт.

6

86639085

BHD LOCK NUT,1"-14, Bulkhead

3шт.

7

47639828

PIPE

Steering Unit Supply

1шт.

8

86579679

HYD CONNECTOR,1"-14 ORFS x M18 x 1.5 ORB

ASSY. Incl 3 (Qty 1), 9, 10

1шт.

9

NSS

NOT SOLD SEPARAT

Connector, Incl in 8

1шт.

10

86598101

O-RING,2.2mm Thk x 15.3mm ID, Cl 6, 90 Duro

1шт.

11

43117

SCREW,Hex, M6 x 1.0 x 30mm, Cl 8.8

1шт.

12

47537640

BRACKET

1шт.

13

14496621

WASHER,10.5mm ID x 21mm OD x 2mm Thk

1шт.

14

14362124

SCREW,M10 x 8mm, Cl 8.8

1шт.

15

47471418

PIPE

ASSY, Return from Steering, Incl 16, 17

1шт.

16

NSS

NOT SOLD SEPARAT

Pipe, Incl in 15

1шт.

17

5185512

O-RING,0.07" Thk x 0.614" ID, -16, Cl 6, 90 Duro

1шт.

18

87326640

CLAMP,16mm ID

1шт.

19

10519421

WASHER,6.4mm ID x 11.95mm OD x 1.6mm Thk

1шт.

Выбрано товаров: 19