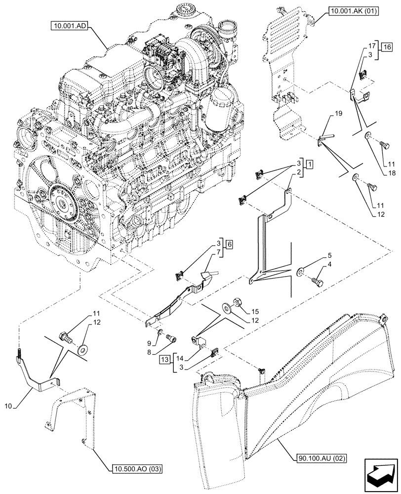
Запчасти Case IH MAXXUM 150 (90.102.AW[04]) - VAR - 392209, 743729, 744985 - HOOD, SUPPORT, STOP, RIGHT SIDE, 6 CYLINDER (90) - PLATFORM, CAB, BODYWORK AND DECALS

Схема запчастей Case IH MAXXUM 150 - (90.102.AW[04]) - VAR - 392209, 743729, 744985 - HOOD, SUPPORT, STOP, RIGHT SIDE, 6 CYLINDER (90) - PLATFORM, CAB, BODYWORK AND DECALS
10.500.ao (03)
2
5
9
6
3
3
8
12
4
7
11
12
11
3
18
10
3
19
17
11
16
13
14
1
12
15
10.001.ak (01)
90.100.au (02)
10.001.ad
FIT
1:1
100%

Артикул

Название

Примечание

Количество

1

47884466

SUPPORT

ASSY, Incl 2, 3 (Qty 2)

1шт.

2

NSS

NOT SOLD SEPARAT

Support, Incl in 1

1шт.

3

87313182

CLIP

5шт.

4

16043480

BOLT,Hex, M8 x 1.25 x 20mm, Full Thd

2шт.

5

86625263

WASHER,9mm ID x 20mm OD x 1.6mm Thk

2шт.

6

47754538

BRACKET

ASSY, Incl 3 (Qty 1), 7

1шт.

7

NSS

NOT SOLD SEPARAT

Support, Incl in 6

1шт.

8

84364043

SCREW

2шт.

9

12646001

WASHER,14.4mm ID x 24mm OD x 2mm Thk

2шт.

10

47884127

SUPPORT

1шт.

11

10902280

BOLT,Hex, M6 x 16mm

3шт.

12

12646601

WASHER,6.15mm ID x 15mm OD x 1.5mm Thk

3шт.

13

47883782

BRACKET

ASSY, Incl 3 (Qty 1), 14

1шт.

14

NSS

NOT SOLD SEPARAT

Support, Incl in 13

1шт.

15

15896211

NUT,M6, Cl 8

1шт.

16

47884751

BRACKET

ASSY, Incl 3 (Qty 1), 17

1шт.

17

NSS

NOT SOLD SEPARAT

Support, Incl in 16

1шт.

18

12647621

WASHER,6.15mm ID x 16mm OD x 2mm Thk

1шт.

19

47655688

BRACKET

1шт.

Выбрано товаров: 19