Запчасти Case IH MAXXUM 150 (10.216.BA[01]) - FUEL TANK, LINE, 6 CYLINDER (10) - ENGINE

Схема запчастей Case IH MAXXUM 150 - (10.216.BA[01]) - FUEL TANK, LINE, 6 CYLINDER (10) - ENGINE
10.216.ai (01)
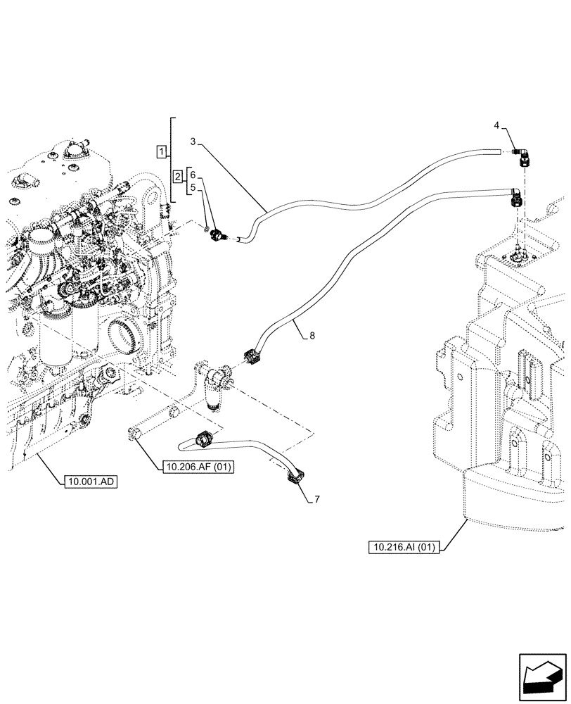
4
3
6
2
8
5
1
7
10.206.af (01)
10.001.ad
FIT
1:1
100%

Артикул

Название

Примечание

Количество

1

47468440

FUEL TUBE

ASSY , Incl 2 - 4

1шт.

2

84283283

FITTING,11.9mm D - 10.6mm D

Incl 5, 6

1шт.

3

NSS

NOT SOLD SEPARAT

Tube, Incl in 1

1шт.

4

84367132

FITTING,5/16'

1шт.

5

NSS

NOT SOLD SEPARAT

Fitting, Incl in 2

1шт.

6

4894095

O-RING,2.5mm Thk x 8mm ID, 60 Duro

1шт.

7

47468432

FUEL TUBE

1шт.

8

47468430

FUEL TUBE

1шт.

Выбрано товаров: 8