Запчасти Case IH MAXXUM 150 (25.400.AF) - VAR - 390811 - 2WD FRONT AXLE, SUPPORT (25) - FRONT AXLE SYSTEM

Схема запчастей Case IH MAXXUM 150 - (25.400.AF) - VAR - 390811 - 2WD FRONT AXLE, SUPPORT (25) - FRONT AXLE SYSTEM
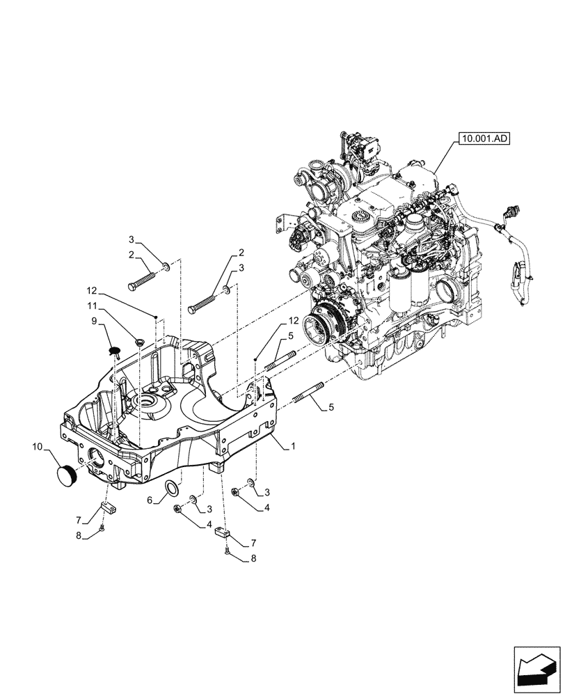
10.001.ad
8
2
11
3
3
12
5
7
3
4
5
12
2
8
9
10
3
6
1
7
4
FIT
1:1
100%

Артикул

Название

Примечание

Количество

1

48031572

SUPPORT

2WD

1шт.

2

82029234

BOLT,Hex, M20 x 1.5 x 125mm, Cl 12.9

6шт.

3

82028022

WASHER,M8 x 1.25 ID x 40mm OD x 9mm Thk, CRLC or HRLC Steel

8шт.

4

87312644

NUT,Hex, M20, 1.5 Pitch, 16mm High, Gr R12

2шт.

5

13974434

STUD

2шт.

6

81820110

THRUST WASHER

2шт.

7

48031578

SPACER

2шт.

8

82015433

HEX SOC SCREW,FLAT, M10 x 1.5 x 25mm, Cl 10.9

4шт.

9

82021866

GRILLE

1шт.

10

82027992

PLUG,80.00mm, 90.00mm OD, 32.00mm D

1шт.

11

87305541

PLASTIC PLUG,26.00mm, 36.00mm OD, 16.00mm D

1шт.

12

82035752

PLASTIC PLUG,7.00mm, 11.00mm OD, 5.5mm D

4шт.

Выбрано товаров: 12