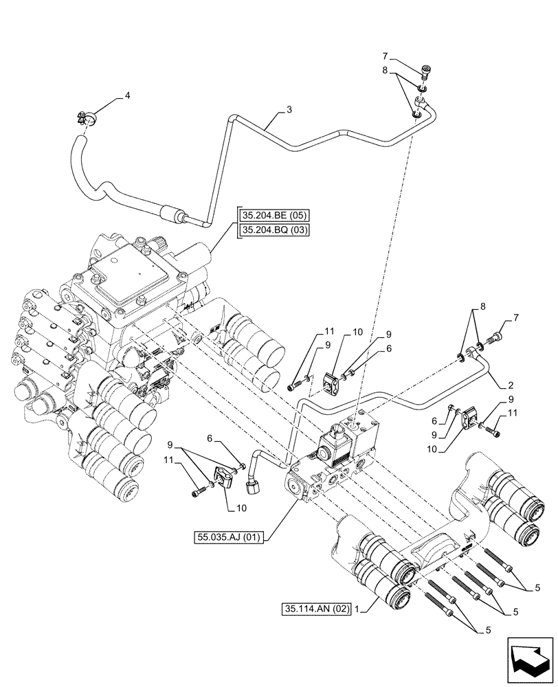
Запчасти Case IH MAXXUM 150 (35.114.AN[01]) - VAR - 758642 - CONTROL VALVE, REAR, DIVERTER (35) - HYDRAULIC SYSTEMS

Схема запчастей Case IH MAXXUM 150 - (35.114.AN[01]) - VAR - 758642 - CONTROL VALVE, REAR, DIVERTER (35) - HYDRAULIC SYSTEMS
35.114.an (02)
11
1
6
9
11
5
6
8
2
10
9
5
7
5
7
11
10
4
10
3
8
9
9
6
9
35.204.be (05)
55.035.aj (01)
35.204.bq (03)
FIT
1:1
100%

Артикул

Название

Примечание

Количество

1

47717079

HYDRAULIC MANIFOLD

1шт.

2

47774923

PIPE

Diverter

1шт.

3

47774924

PIPE

Diverter Discharge

1шт.

4

10187090

HOSE CLAMP,16mm - 18mm

16-18 x 9

1шт.

5

356464

HEX SOC SCREW,M6 x 50mm, Cl 8.8

M6 x 50

6шт.

6

15896411

NUT,Hex, M5, 4.70mm High, Cl 8

3шт.

7

5175070

BANJO BOLT,M8 x 1.25 x 24mm

2шт.

8

87667800

SEALING WASHER,M8

4шт.

9

120098

BOLT,Hex, M5 x 20, 8.8, Full Thd

6шт.

10

84549394

BLOCK

3шт.

11

12637801

WASHER,5.15mm ID x 11mm OD x 1mm Thk

3шт.

Выбрано товаров: 11