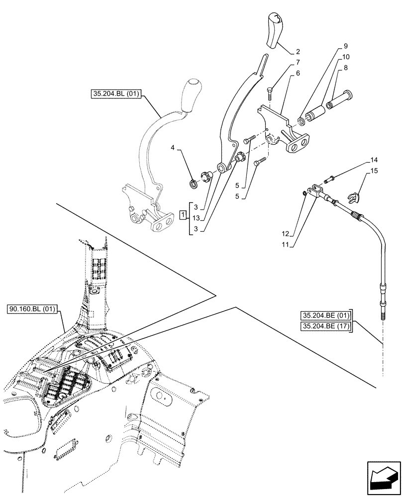
Запчасти Case IH MAXXUM 150 (35.204.BL[04]) - VAR - 743741 - 3 REMOTE CONTROL VALVES, W/ MECHANICAL ENGAGEMENT, CONTROL LEVER (35) - HYDRAULIC SYSTEMS

Схема запчастей Case IH MAXXUM 150 - (35.204.BL[04]) - VAR - 743741 - 3 REMOTE CONTROL VALVES, W/ MECHANICAL ENGAGEMENT, CONTROL LEVER (35) - HYDRAULIC SYSTEMS
35.204.be (17)
12
2
3
11
9
7
5
4
1
3
15
14
5
8
6
13
10
35.204.be (01)
35.204.bl (01)
90.160.bl (01)
FIT
1:1
100%

Артикул

Название

Примечание

Количество

1

82036839

LEVER

ASSY, 3rd, Incl 3, 13

1шт.

2

47723862

KNOB

N. 3, Ginger

1шт.

3

82035633

BUSHING

2шт.

4

11088171

SNAP RING,M11

1шт.

5

10902021

BOLT,Hex, M6 x 12mm, Cl 8.8

2шт.

6

87308465

HOUSING

1шт.

7

13806421

SET SCREW,Hex Soc, M6 x 8mm

1шт.

8

82035628

HEADED PIN,11.98mm OD x 95mm L

1шт.

9

81819651

SPRING WASHER,13mm ID x 19mm OD

1шт.

10

82035996

SPACER,12mm ID x 20mm OD x 26mm L

1шт.

11

87678198

CABLE,1828mm L

Remote Control

1шт.

12

11087771

LOCKING RING

1шт.

13

NSS

NOT SOLD SEPARAT

Lever, Incl in 1

1шт.

14

82036373

CLEVIS PIN,5.96mm OD x 18.5mm L

1шт.

15

82007837

LOCKING RING

1шт.

Выбрано товаров: 15