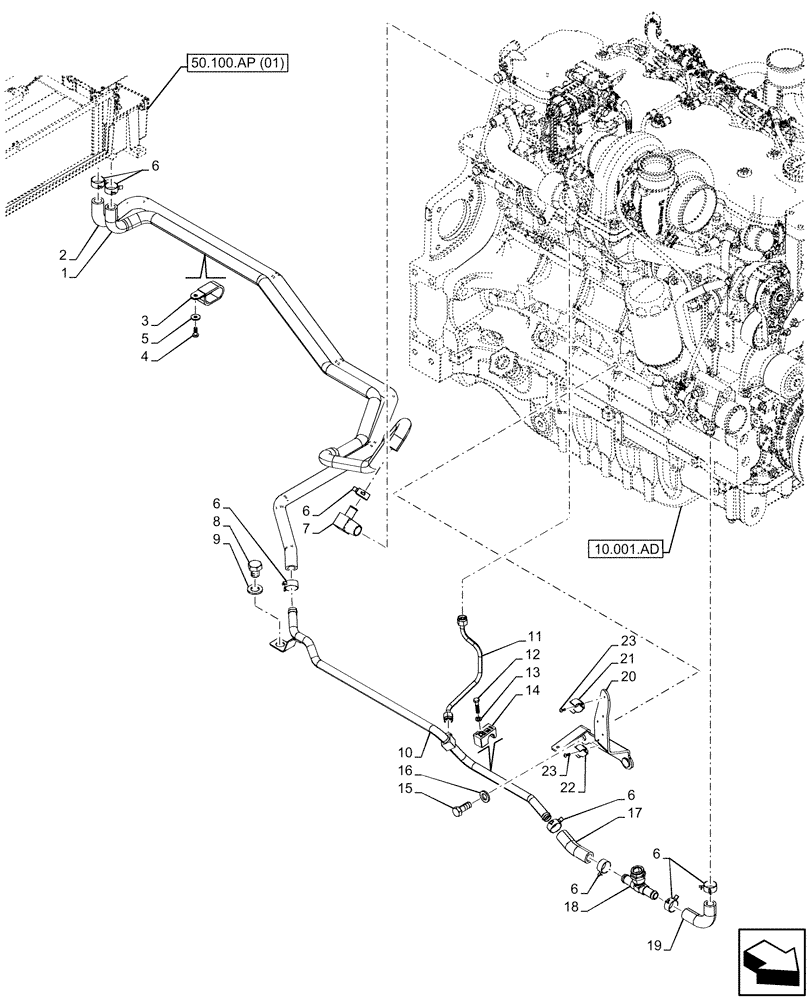
Запчасти Case IH MAXXUM 150 (50.200.AK[05]) - VAR - 390643, 758482 - AIR CONDITIONING, CONDENSER, LINE, 6 CYL - END YR 31-JAN-2016 (50) - CAB CLIMATE CONTROL

Схема запчастей Case IH MAXXUM 150 - (50.200.AK[05]) - VAR - 390643, 758482 - AIR CONDITIONING, CONDENSER, LINE, 6 CYL - END YR 31-JAN-2016 (50) - CAB CLIMATE CONTROL
50.100.ap (01)
10
3
18
16
14
20
7
9
2
15
5
6
1
8
6
19
23
6
12
6
22
6
13
17
23
11
21
4
6
10.001.ad
FIT
1:1
100%

Артикул

Название

Примечание

Количество

1

47846184

HEATER HOSE

1шт.

2

47846181

A/C HOSE

1шт.

3

82023568

CLAMP,2 Hoses

1шт.

4

81853129

SCREW,Pozidriv Pan Hd, M6 x 16mm, Cl 4.8, Full Thd

1шт.

5

10523401

WASHER,6.15mm ID x 18mm OD x 2mm Thk

2шт.

6

82019905

HOSE CLAMP,22 - 26mm X 12mm

8шт.

7

87302771

ADAPTER

1шт.

8

15859421

BOLT,Hex, M16 x 20mm, Cl 8.8, Full Thd

1шт.

9

86511326

WASHER,17mm ID x 30mm OD x 3mm Thk

1шт.

10

47736907

PIPE

Heater 6 Cyl

1шт.

11

47736910

PIPE

from Exhaust Flap

1шт.

12

43117

SCREW,Hex, M6 x 1.0 x 30mm, Cl 8.8

1шт.

13

86588450

WASHER,6.6mm ID x 12mm OD x 1.6mm Thk

1шт.

14

87326640

CLAMP,16mm ID

1шт.

15

9706687

BOLT,M12 x 1.75 x 30mm, Cl 8.8

1шт.

16

86625255

WASHER,13.3mm ID x 24.5mm OD x 3mm Thk

1шт.

17

47551332

HOSE

Heater, Return

1шт.

18

84283392

UNION TEE

1шт.

19

47620065

ELBOW UNION

1шт.

20

47618765

BRACKET

1шт.

21

47439927

SPRING CLIP,17-20mm OD

3шт.

22

47439926

SPRING CLIP,12.0-16.0mm D

2шт.

23

47511292

SCREW,Hex, M4 x 0.7 x 10mm

5шт.

Выбрано товаров: 23