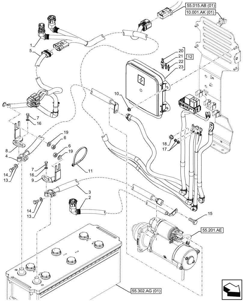
Запчасти Case IH MAXXUM 150 (55.302.AV[05]) - VAR - 392407, 758407, 758701 - BATTERY CABLE (55) - ELECTRICAL SYSTEMS

Схема запчастей Case IH MAXXUM 150 - (55.302.AV[05]) - VAR - 392407, 758407, 758701 - BATTERY CABLE (55) - ELECTRICAL SYSTEMS
10.001.ak (01)
3
15
21
19
23
13
16
16
13
6
12
5
6
2
8
14
7
7
4
18
11
17
10
1
9
22
20
14
19
55.201.ae
55.015.ab (01)
55.302.ag (01)
FIT
1:1
100%

Артикул

Название

Примечание

Количество

1

47720900

WIRE HARNESS

PDU 6Cyl

1шт.

2

47720902

WIRE HARNESS

PDU Ground 6Cyl

1шт.

3

87487740

NEG BATTERY CABLE,1250mm L

1шт.

4

47638666

CABLE

Battery pos

1шт.

5

47725730

WIRE HARNESS

1шт.

6

47778125

SLEEVE

1шт.

7

10902280

BOLT,Hex, M6 x 16mm

2шт.

8

47633481

PLATE

1шт.

9

47633514

PLATE

1шт.

10

14059211

FLANGE NUT,M6 x 1, Flg, Cl 8

4шт.

11

14560287

CABLE TIE,207.00mm L

1шт.

12

47581643

FUSE BOX

ASSY, Incl 20 - 23

1шт.

13

14496501

WASHER,8.4mm ID x 17mm OD x 1.6mm Thk

2шт.

14

16043221

BOLT,Hex, M8 x 16mm, Cl 8.8, Full Thd

2шт.

15

11106421

SCREW,Hex, M10 x 1.5 x 30mm, Cl 8.8

1шт.

16

10571579

LOCK WASHER,M6

2шт.

17

86512495

FLANGE NUT,Hex, M5, Cl 8

2шт.

18

9804277

FLANGE NUT,Hex, M8 x 1.25, Cl 8

1шт.

19

12640601

WASHER,6.15mm ID x 25mm OD x 2mm Thk

2шт.

20

82033972

FUSE,250A

1шт.

21

87390344

FUSE,30A, MIDIVAL

1шт.

22

84320118

FUSE,40A, Midival

1шт.

23

NSS

NOT SOLD SEPARAT

Box, Incl in 12

1шт.

Выбрано товаров: 23