Запчасти Case IH MX180 (5-004) - STEERING COLUMN ASSEMBLY (05) - STEERING

Схема запчастей Case IH MX180 - (5-004) - STEERING COLUMN ASSEMBLY (05) - STEERING
4
17
19
11
12
11
24
22
5
15
6
9
1
25
8
20
13
3
2
7
26
21
26
23
18
14
26
16
FIT
1:1
100%

Артикул

Название

Примечание

Количество

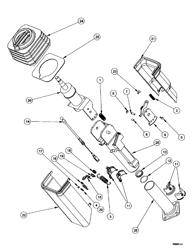
310665A1

STEERING COLUMN

ASSY, Incl 1 - 26

1шт.

318934A1

KIT

KIT repair, Incl 1 - 4

1шт.

1

NSS

NOT SOLD SEPARAT

SPRING, Incl in 318934A1

2шт.

2

NSS

NOT SOLD SEPARAT

SPRING, Incl in 318934A1

1шт.

3

NSS

NOT SOLD SEPARAT

SPRINGm Incl in 318934A1

1шт.

4

NSS

NOT SOLD SEPARAT

WASHER lock, Incl in 318934A1

1шт.

318942A1

REPAIR KIT

KIT repair, Incl 5 - 10

1шт.

5

NSS

NOT SOLD SEPARAT

SCREW, Incl in 318942A1

3шт.

6

NSS

NOT SOLD SEPARAT

PIN, Incl in 318942A1

1шт.

7

NSS

NOT SOLD SEPARAT

PIN, Incl in 318942A1

1шт.

8

NSS

NOT SOLD SEPARAT

RING retaining, Incl in 318942A1

1шт.

9

NSS

NOT SOLD SEPARAT

SEGMENT, Incl in 318942A1

1шт.

10

NSS

NOT SOLD SEPARAT

CATCH, Incl in 318942A1

1шт.

318943A1

BEARING ASSY

repair, Incl 11 - 13

1шт.

11

NSS

NOT SOLD SEPARAT

BEARING cap, Incl in 318943A1

2шт.

12

NSS

NOT SOLD SEPARAT

O-RING, Incl in 318943A1

1шт.

13

NSS

NOT SOLD SEPARAT

SEAL, Incl in 318943A1

1шт.

318938A1

PACKAGE

KIT repair, Incl 14 - 20

1шт.

14

NSS

NOT SOLD SEPARAT

LEVER, Incl in 318938A1

1шт.

15

NSS

NOT SOLD SEPARAT

LINK, Incl in 318938A1

1шт.

16

NSS

NOT SOLD SEPARAT

LINK, Incl in 318938A1

1шт.

17

NSS

NOT SOLD SEPARAT

RIVET, Incl in 318938A1

1шт.

18

NSS

NOT SOLD SEPARAT

SPACER, Incl in 318938A1

1шт.

19

NSS

NOT SOLD SEPARAT

BUSHING, Incl in 318938A1

1шт.

20

NSS

NOT SOLD SEPARAT

WASHER lock, Incl in 318938A1

1шт.

318939A2

COVER

KIT repair, Incl 21 - 23

1шт.

21

NSS

NOT SOLD SEPARAT

COVER, Incl in 318939A2

1шт.

22

NSS

NOT SOLD SEPARAT

COVER, Incl in 318939A2

1шт.

23

NSS

NOT SOLD SEPARAT

SCREW, Incl in 318939A2

1шт.

318940A1

PACKAGE,SERVICE

KIT repair, Incl 24, 25

1шт.

24

NSS

NOT SOLD SEPARAT

BOOT, Incl in 318940A1

1шт.

25

NSS

NOT SOLD SEPARAT

PLATE, Incl in 318940A1

1шт.

26

NSS

NOT SOLD SEPARAT

COLUMN steering, Incl in 310665A1

1шт.

Выбрано товаров: 33