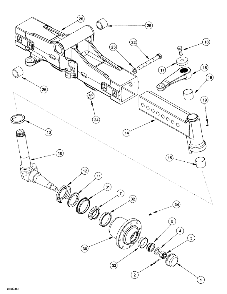
Запчасти Case IH MX180 (5-026) - AXLE, ADJUSTABLE, FRONT, MX180, MX200, MX220, N.A. ONLY (05) - STEERING

Схема запчастей Case IH MX180 - (5-026) - AXLE, ADJUSTABLE, FRONT, MX180, MX200, MX220, N.A. ONLY (05) - STEERING
31
25
10
13
17
7
18
30
15
1
19
15
2
26
12
4
5
14
11
34
22
23
32
16
24
26
33
3
FIT
1:1
100%

Артикул

Название

Примечание

Количество

1

189425C1

HUB CAP

2шт.

2

732-6350

COTTER PIN,M6.3 x 50

2шт.

3

1259683C1

NUT

M30 - 1.5

2шт.

4

896-12030

WASHER,33mm ID x 56mm OD x 5mm Thk

33 x 56 x 5 mm

2шт.

5

130504H

ROLLER BEARING,42.887 mm ID x 25.48 mm

2шт.

7

ST753B

BEARING ASSY,66.67mm ID x 22mm W

2-5/8 inch ID

2шт.

10

1259519C3

STEERING KNUCKLE

Spindle Assy, Incl. 11, 12

2шт.

11

491641C1

SEAL

1шт.

12

1259522C1

SHIELD

protective

1шт.

13

1270815C1

THRUST BEARING

thrust

2шт.

14

1264574C2

EXTENSION ASSY.

AXLE, LH, Incl. Ref. 15

1шт.

14

1264575C2

EXTENSION ASSY.

AXLE, RH, Incl. Ref. 15

1шт.

15

1259518C1

BUSHING,63.53mm ID x 67.21mm OD x 50.8mm L

2шт.

16

235393A1

STEERING KNUCKLE

ARM, left-hand

1шт.

16

235392A1

STEERING KNUCKLE

ARM, right-hand

1шт.

17

1259669C2

WASHER

special

2шт.

18

614-20055

BOLT,Hex, M20 x 2.5 x 55mm, Cl 8.8, Full Thd

2шт.

19

219-17

LUBE NIPPLE,3/16" NPTF

2шт.

22

828-24200

BOLT,Hex, M24 x 3 x 200mm, Cl 10.9

4шт.

23

896-12024

WASHER,26mm ID x 44mm OD x 5mm Thk

26 x 44 x 5 mm

4шт.

24

1264635C1

NUT

square

4шт.

25

235395A2

FRONT AXLE

ASSY, Incl. Ref. 26

1шт.

26

196294A1

BUSHING

2шт.

30

1259528C1

HUB

ASSY, Includes: Ref. 31 - 33

2шт.

31

1264549C1

SEALING WASHER,106mm ID x 130mm OD x 1.6mm Thk

RETAINER

1шт.

32

29214H

BEARING CUP,110mm OD x 18.82mm W

4-5/16 OD

1шт.

33

130503H

BEARING CUP

3-17/64 OD

1шт.

34

219-404

LUBE NIPPLE,45 Degree Elbow, 3/16" NPTF

2шт.

Выбрано товаров: 28