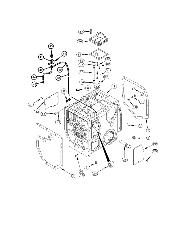
Запчасти Case IH MX200 (06-10) - RANGE TRANSMISSION HOUSING (06) - POWER TRAIN

Схема запчастей Case IH MX200 - (06-10) - RANGE TRANSMISSION HOUSING (06) - POWER TRAIN
33
6
32
11
38
23
43
21
35
22
1
32
32
37
24
3
13
12
20
8
32
31
44
5
13
9
34
34
42
41
30
45
39
4
10
14
25
40
7
2
36
FIT
1:1
100%

Артикул

Название

Примечание

Количество

1

304473A2

HOUSING

Inc. 2 - 6

1шт.

2

837-16035

DOWEL,M16 x 35

16 x 35 mm

4шт.

3

837-12025

DOWEL,M12 x 25

2шт.

4

192792A1

PLUG

3/4 in

1шт.

5

327080A1

PLUG,Hdls Sq Skt Pipe,1 1/4" NPTF, W/ Sealant

1-1/4

1шт.

6

41-1618

PLUG,Cup, 1 1/8", Stainless

1-1/8

1шт.

7

87390949

GASKET,0.79mm Thk

1шт.

8

92821C2

GASKET,0.79mm Thk

1шт.

9

828-16080

BOLT,Hex, M16 x 2 x 80mm, Cl 10.9

2шт.

10

813-16060

BOLT,Hex, M16 x 2 x 60mm, Cl 8.8

Hex, M16 x 60, 8.8, Full Thd

2шт.

11

813-16060

BOLT,Hex, M16 x 2 x 60mm, Cl 8.8

Hex, M16 x 60, 8.8, Full Thd

9шт.

12

828-16110

BOLT,Hex, M16 x 2 x 110mm, Cl 10.9

1шт.

13

896-11016

WASHER,17.5mm ID x 30mm OD x 4mm Thk

15шт.

14

829-1316

NUT,M16, Cl 10

1шт.

20

93364C1

COVER

1шт.

21

628-10025

BOLT,Hex, M10 x 1.5 x 25mm, Cl 10.9, Full Thd

12шт.

22

225209A1

COVER

1шт.

23

628-10025

BOLT,Hex, M10 x 1.5 x 25mm, Cl 10.9, Full Thd

7шт.

24

301533R1

NEEDLE BEARING,Needle, 44.44mm ID x 53.96mm OD x 38.1mm W

1шт.

25

536850R1

HEATER

120 Volt, N.A. Only

1шт.

25

275531A1

HEATER

240 Volt, Europe Only

1шт.

30

235976A2

TUBE,8 mm ID, 13 mm OD

1шт.

31

256544A1

TUBE,8 mm ID, 15.35 mm OD, 199 mm Length

3шт.

32

238-5014

O-RING,0.07" Thk x 0.489" ID, -14, Cl 5, 75 Duro

8шт.

33

300828A1

TUBE,22.85 mm OD, 199 mm Length

1шт.

34

238-5019

O-RING,0.07" Thk x 0.801" ID, -19, Cl 5, 75 Duro

2шт.

35

253385A2

GASKET,0.92mm Thk

1шт.

36

302171A1

VALVE

See Figure 6-18

1шт.

See Figures 06-20 and 06-22 for upper Gasket and Transmission Valve

1шт.

37

861-10045

HEX SOC SCREW,M10 x 45mm, Cl 12.9

4шт.

38

369941A1

COUPLING

1шт.

39

359116A1

HOSE,6.35 mm ID x 1125.00 mm, SAE J30 R7

1шт.

40

369378A1

TEE

1шт.

41

132093A2

BLOCK

1шт.

42

814-8050

BOLT,Hex, M8 x 1.25 x 50mm, Cl 8.8

1шт.

43

1971726C1

BREATHER,1/4" - 18

1шт.

44

359117A1

HOSE,6.35mm ID x 200mm L, SAE 30R7

1шт.

45

217-119

FITTING,1/4" Hose x 1/4" NPTF, Barbed

1/4 barb x 1/4 PT

1шт.

Выбрано товаров: 38