Запчасти Case IH MX200 (06-18) - VALVE ASSY INCHING (06) - POWER TRAIN

Схема запчастей Case IH MX200 - (06-18) - VALVE ASSY INCHING (06) - POWER TRAIN
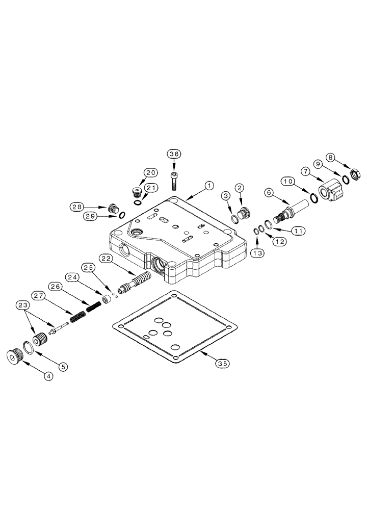
36
12
4
25
10
2
6
29
3
23
26
5
22
20
7
11
8
27
28
24
13
35
9
1
21
FIT
1:1
100%

Артикул

Название

Примечание

Количество

302171A1

VALVE

Inc. 1 - 29

1шт.

1

NSS

NOT SOLD SEPARAT

Body, Valve

1шт.

2

86598046

PLUG,M18 x 1.5 ORB

Includes 3

1шт.

3

637-63153

O-RING,2.2mm Thk x 15.3mm ID, Cl 6, 90 Duro

1шт.

4

221580A1

PLUG,M27 x 2 ORB

Includes 5

1шт.

5

637-64236

O-RING,2.9mm Thk x 23.6mm ID, Cl 6, 90 Duro

1шт.

239552A2

SOLENOID VALVE

Consists Of 6 - 13

1шт.

6

NSS

NOT SOLD SEPARAT

Cartridge

1шт.

7

NSS

NOT SOLD SEPARAT

Coil

1шт.

8

NSS

NOT SOLD SEPARAT

Nut

1шт.

308245A1

SEAL KIT

Inc. 9 - 13

1шт.

9

238-7016

O-RING,0.07" Thk x 0.614" ID, -16, Cl 7, 75 Duro

1шт.

10

238-7018

O-RING,0.07" Thk x 0.739" ID, -18, Cl 7, 75 Duro

1шт.

11

237-6008

O-RING,0.087" Thk x 0.644" ID, -908, Cl 6, 90 Duro

1шт.

12

238-5014

O-RING,0.07" Thk x 0.489" ID, -14, Cl 5, 75 Duro

1шт.

13

238-5013

O-RING,0.07" Thk x 0.426" ID, -13, Cl 5, 75 Duro

1шт.

20

221576A1

PLUG,Hex Soc, M14 x 1.5, ORB

Includes 21

1шт.

21

637-63113

O-RING,2.2mm Thk x 11.3mm ID, Cl 6

1шт.

302170A2

SPOOL

Inc. 22 - 27

1шт.

22

NSS

NOT SOLD SEPARAT

Spool

1шт.

23

NSS

NOT SOLD SEPARAT

Piston

1шт.

24

NSS

NOT SOLD SEPARAT

Sleeve

1шт.

25

NSS

NOT SOLD SEPARAT

Ball

1шт.

26

NSS

NOT SOLD SEPARAT

Spring

1шт.

27

NSS

NOT SOLD SEPARAT

Spring

1шт.

28

221576A1

PLUG,Hex Soc, M14 x 1.5, ORB

Includes 29

1шт.

29

637-63113

O-RING,2.2mm Thk x 11.3mm ID, Cl 6

1шт.

35

253385A2

GASKET,0.92mm Thk

1шт.

36

861-10045

HEX SOC SCREW,M10 x 45mm, Cl 12.9

4шт.

Выбрано товаров: 29