Запчасти Case IH MX200 (03-21) - FOOT THROTTLE, MX180, MX200, MX220 (03) - FUEL SYSTEM

Схема запчастей Case IH MX200 - (03-21) - FOOT THROTTLE, MX180, MX200, MX220 (03) - FUEL SYSTEM
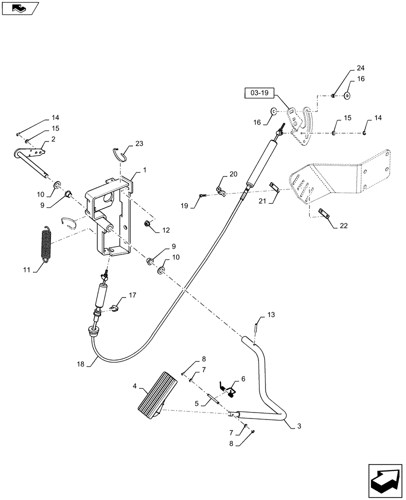
1
15
9
2
10
8
14
8
18
24
3
16
7
16
10
4
17
12
22
15
20
19
7
11
21
03-19
14
5
23
6
9
13
FIT
1:1
100%

Артикул

Название

Примечание

Количество

302785A

KIT

Order From Machinery Price List, Incl 1 - 24

1шт.

1

296858A4

FRAME

1шт.

2

296867A3

LEVER

1шт.

3

296870A3

TUBE

1шт.

4

297853A2

PEDAL

Foot Throttle

1шт.

5

255291A1

PIN,5mm OD x 56mm L

1шт.

6

256776A1

SPRING

1шт.

7

895-11005

WASHER,5.5mm ID x 10mm OD x 1mm Thk

2шт.

8

800-435

CIRCLIP,M5

2шт.

9

1533540C1

BUSHING,12mm ID x 14mm OD x 12mm L

2шт.

10

895-11012

WASHER,13.5mm ID x 24mm OD x 2.5mm Thk

2шт.

11

248913A2

SPRING

1шт.

12

825-2408

FLANGE NUT,M8 x 1.25, Flg, Cl 8

3шт.

13

838-3528

PIN,M5 x 28, Coiled

1шт.

14

800-316

CIRCLIP,M6

1шт.

15

895-11006

WASHER,6.6mm ID x 12mm OD x 1.6mm Thk

1шт.

16

495-81107

WASHER,.281" x 7/8" x .060"

9/32 x 7/8 x 3/64, Use With Hand Throttle Cable When Foot Throttle Installed

2шт.

17

3223258R2

CIRCLIP

1шт.

18

295830A4

CABLE,2140mm L

Foot Throttle

1шт.

19

461-31016

HEX SOC SCREW,#10 - 24 x 1"

No. 10 x 1

2шт.

20

A75815

CLAMP

1шт.

21

L40315

SHIM,5.55mm ID x 12.7mm OD x 2.28mm Thk

1шт.

22

224900A1

LARGE PLATE

1шт.

23

473321C1

CABLE TIE,8" OAL x 0.098" W

CABLE STRAP

3шт.

24

1971259C1

SPACER

3/8 x 7/32, Use With Hand Throttle Cable When Foot Throttle Installed

1шт.

Выбрано товаров: 25