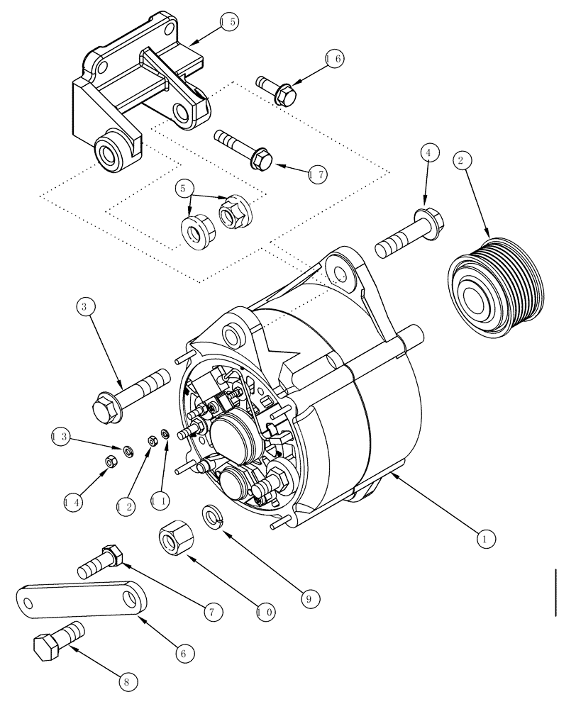
Запчасти Case IH MX200 (04-11) - ALTERNATOR MOUNTING, MX180, MX200, MX220 (04) - ELECTRICAL SYSTEMS

Схема запчастей Case IH MX200 - (04-11) - ALTERNATOR MOUNTING, MX180, MX200, MX220 (04) - ELECTRICAL SYSTEMS
13
14
15
1
16
17
10
6
3
12
8
2
7
9
4
5
11
FIT
1:1
100%

Артикул

Название

Примечание

Количество

.

MX180, MX200, MX220

1шт.

1

91448C2

ALTERNATOR

See Figure 4-13

1шт.

1

91448C2R

REMAN-ALTERNATOR

Reman for New PN 91448C2

1шт.

1

91448C2C

CORE-ALTERNATOR

Return Part Number

1шт.

1

91448C2GV

ALTERNATOR

Value

1шт.

1

125849A1

ALTERNATOR,12V, 135A, W/ Pulley

135 amp, See Figure 4-14

1шт.

1

125849A1R

REMAN-ALTERNATOR

Remanufactured Alternator, 12 volt 135 ampere

1шт.

1

125849A1C

CORE-ALTERNATOR

Return Part Number

1шт.

1

125849A1GV

ALTERNATOR

Value, 135 amp

1шт.

2

J926858

PULLEY

1шт.

3

854-12060

BOLT,Hvy Hex, M12 x 60mm, Cl 10.9

1шт.

4

854-12050

BOLT,Hvy Hex, M12 x 50mm, Cl 10.9

1шт.

5

829-2312

FLANGE NUT,M12 x 1.75, Flg, Cl 10

2шт.

6

J911485

SUPPORT

1шт.

7

614-8030

BOLT,Hex, M8 x 1.25 x 30mm, Cl 8.8, Full Thd

1шт.

8

426-820

BOLT,Hex, 1/2" - 13 x 1-1/4", Gr 8

1шт.

9

492-11044

LOCK WASHER,7/16"

1шт.

10

425-147

JAM NUT,Jam, 7/16"-14, G5

7/16

1шт.

11

892-11004

LOCK WASHER,M4

1шт.

12

825-1404

NUT,M4, Cl 8

1шт.

13

892-11005

LOCK WASHER,M5

1шт.

14

824-1405

NUT,M5, Cl 5

1шт.

15

J918544

SUPPORT

1шт.

16

845-8025

BOLT,Hex Flg, M8 x 25mm, Cl 8.8

2шт.

17

845-8065

BOLT,Hvy Hex, M8 x 65mm, Cl 8.8

2шт.

Выбрано товаров: 25