Качественные детали и логистика
Оригинальные и аналоговые запчасти с доставкой по России, Казахстану и Беларуси
©2022 PartSell ООО "Система" ИНН 2463123282 ОГРН 1212400004838
Центральный офис: г. Красноярск, Академика Киренского, д.87, пом.4
Телефон: 8 (800) 777-65-74 Email: zakaz@partsell.ru
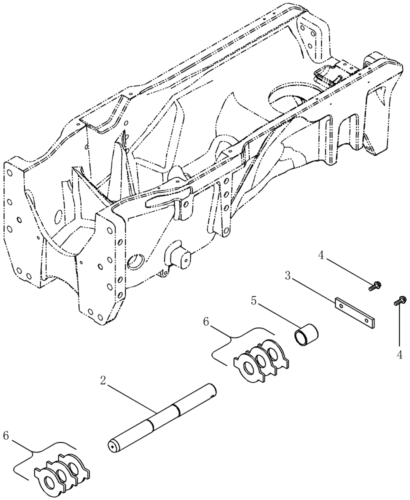
(05-06) - FRONT AXLE - MOUNTING, 2 WHEEL DRIVE
№
Артикул
Название
Примечание
Количество
2
226687A3
PIN,49.75mm OD x 475mm L
1шт.
3
226686A3
PLATE
4
844-12035
BOLT,Hvy Hex, M12 x 35mm, Cl 8.8
2шт.
5
86993724
SLEEVE
6
87404302
THRUST WASHER
6.25 / 8.25 mm
87404303
7.0 / 9.0 mm
87404304
7.5 / 9.5 mm
87404305
8.0 / 10.0 mm
Выбрано товаров: 0