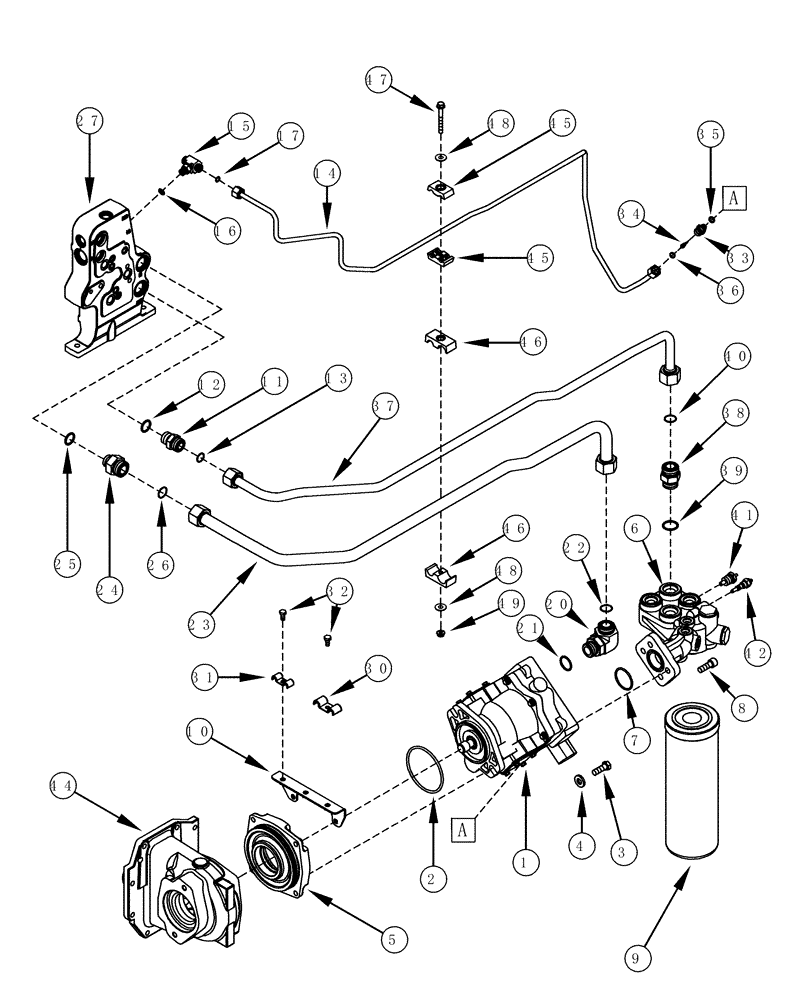
Запчасти Case IH MX220 (08-03) - HYDRAULIC SYSTEM PISTON PUMP AND FILTER, STANDARD FLOW CAPACITY PUMP (08) - HYDRAULICS

Схема запчастей Case IH MX220 - (08-03) - HYDRAULIC SYSTEM PISTON PUMP AND FILTER, STANDARD FLOW CAPACITY PUMP (08) - HYDRAULICS
14
6
15
4
33
11
46
2
41
12
31
47
10
44
40
22
42
17
39
8
37
13
48
27
a
25
46
34
45
48
1
35
a
38
16
24
3
23
7
5
20
49
9
26
21
36
32
45
30
FIT
1:1
100%

Артикул

Название

Примечание

Количество

1

278069A1

PUMP, HYDRAULIC

Standard Flow Capacity Pump, See Figure 8-16, 30 gpm

1шт.

278069A2R

REMAN-HYD PUMP

MX180, MX200, MX220, MX240, MX270, All P.I.N. JJA0105000 & Aft., Reman For New P/N 278069A1 & 278069A2

1шт.

278069A2C

CORE-HYDRAULIC PUMP

Return Number

1шт.

2

238-5345

O-RING,0.21" Thk x 3.975" ID, -345, Cl 5, 75 Duro

1шт.

3

615-12035

BOLT,Hex, M12 x 1.75 x 35mm, Cl 8.8, Full Thd

2шт.

4

896-16012

WASHER,13.5mm ID x 28mm OD x 4mm Thk

13,5 x 28 x 4 mm

2шт.

5

REF

INSTRUCTION

Cage, See Figure 6-36

1шт.

6

300620A1

HEAD ASSY.

1шт.

7

238-6225

O-RING,0.139" Thk x 1.859" ID, -225, Cl 6, 90 Duro

1шт.

8

868-12035

12 PT SCREW,M12 x 35mm, Cl 12.9

M12 x 35; 12.9

4шт.

9

277311A1

HYDRAULIC OIL FILTER

1шт.

10

299415A1

SUPPORT

1шт.

11

700-104

HYD CONNECTOR,1-3/16" - 12 Male ORFS x M27 x 2 Male ORB

Incl. 12, 13

1шт.

12

637-64236

O-RING,2.9mm Thk x 23.6mm ID, Cl 6, 90 Duro

1шт.

13

238-6018

O-RING,0.07" Thk x 0.739" ID, -18, Cl 6, 90 Duro

1шт.

14

362848A1

TUBE

Without Hydraulic Brakes

1шт.

15

700-401

TEE,11/16" - 16 Male ORFS x 11/16" - 16 Male ORFS x M14 x 1.5 Male ORB

11/16 fc sl x 14 Or, Inc. 16, 17

1шт.

16

637-63113

O-RING,2.2mm Thk x 11.3mm ID, Cl 6

1шт.

17

238-6012

O-RING,0.07" Thk x 0.364" ID, -12, Cl 6, 90 Duro

2шт.

20

413993A1

90 ELBOW

1-7/16 fc sl x 33 Or, Inc. 21, 22

1шт.

21

637-64296

O-RING,2.9mm Thk x 29.6mm ID, Cl 6, 90 Duro

1шт.

22

238-6021

O-RING,15/16 X 1 - 1/16, Cl 6

1шт.

23

362849A2

TUBE,1" OD, 1033, 254 mm Length

Without Hydraulic Brakes

1шт.

24

700-166

HYD CONNECTOR,1-7/16" - 12 Male ORFS x M27 x 2 Male ORB

Incl. 25,26

1шт.

25

637-64236

O-RING,2.9mm Thk x 23.6mm ID, Cl 6, 90 Duro

1шт.

27

REF

INSTRUCTION

Manifold, Standard Flow Capacity Pump, See Figure 8-24

1шт.

30

299430A1

CLAMP

1/2 in

1шт.

31

299431A1

CLAMP

3/8 in

1шт.

32

614-8016

BOLT,Hex, M8 x 1.25 x 16mm, Cl 8.8, Full Thd

2шт.

334922A1

ADAPTER

11/16 fc sl x 12 Or, Consists Of 33 - 36

1шт.

33

NSS

NOT SOLD SEPARAT

11/16 fc sl x 12 Or, Adapter

1шт.

34

NSS

NOT SOLD SEPARAT

Screen

1шт.

35

637-63093

O-RING,2.2mm Thk x 9.3mm ID, Cl 6, 90 Duro

1шт.

36

238-6012

O-RING,0.07" Thk x 0.364" ID, -12, Cl 6, 90 Duro

1шт.

37

362931A1

PIPE

1шт.

38

283024A1

VALVE POPPET

1-7/16 fc sl x 33 Or, Check Valve, Inc. 39, 40

1шт.

39

637-64296

O-RING,2.9mm Thk x 29.6mm ID, Cl 6, 90 Duro

1шт.

41

A176566

TRANSMITTER

Transmission

1шт.

42

1957801C1

PRESSURE SWITCH

Restriction

1шт.

44

REF

INSTRUCTION

Housing, See Figure 6-36

1шт.

45

363255A1

CLAMP

1шт.

46

1347072C1

CLAMP

1шт.

47

814-8080

BOLT,Hex, M8 x 1.25 x 80mm, Cl 8.8

1шт.

49

832-10408

NUT,M8 x 1.25, Cl 8.8

1шт.

22

238-6021

O-RING,15/16 X 1 - 1/16, Cl 6

1шт.

26

238-6021

O-RING,15/16 X 1 - 1/16, Cl 6

1шт.

40

238-6021

O-RING,15/16 X 1 - 1/16, Cl 6

1шт.

48

895-15008

WASHER,9mm ID x 20mm OD x 1.6mm Thk

2шт.

Выбрано товаров: 48