Запчасти Case IH MX220 (09-46) - DRAWBAR HAMMERSTRAP HIGH CAPACITY, N.A. ONLY (09) - CHASSIS/ATTACHMENTS

Схема запчастей Case IH MX220 - (09-46) - DRAWBAR HAMMERSTRAP HIGH CAPACITY, N.A. ONLY (09) - CHASSIS/ATTACHMENTS
24
11
20
26
5
14
17
22
6
10
23
18
19
31
17
28
4
2
16
25
21
13
3
15
24
30
1
12
7
8
9
29
27
FIT
1:1
100%

Артикул

Название

Примечание

Количество

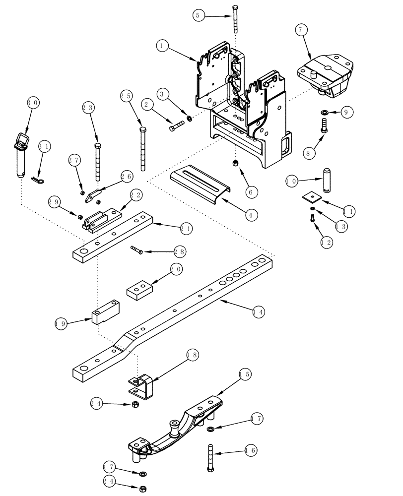
1

251788A3

FRAME,Hitch

1шт.

2

828-16080

BOLT,Hex, M16 x 2 x 80mm, Cl 10.9

10шт.

3

896-12016

WASHER,17.5mm ID x 30mm OD x 4mm Thk

10шт.

4

238495A2

LARGE PLATE

PLATE, LARGE

1шт.

5

828-16160

BOLT,Hex, M16 x 2 x 160mm, Cl 10.9

2шт.

6

832-10416

NUT,M16 x 2, Cl 8

2шт.

7

232968A1

SUPPORT

1шт.

8

828-20065

BOLT,Hex, M20 x 2.5 x 65mm, Cl 10.9

M20 x 65; 10.9

4шт.

9

896-12020

WASHER,22mm ID x 37mm OD x 4mm Thk

22 x 37 x 4 mm

4шт.

10

1982103C1

PIN,34.87mm OD x 140mm L

1шт.

11

67828C1

RETAINER

1шт.

12

627-12030

BOLT,Hex, M12 x 1.75 x 30mm, Cl 10.9, Full Thd

1шт.

13

892-11012

LOCK WASHER,M12

1шт.

310529A

KIT

High Capacity Drawbar, Order From Machinery Price List, Inc. 14 - 31

1шт.

14

294015A2

DRAWBAR

1шт.

15

293894A1

SUPPORT

1шт.

16

827-20150

BOLT,Hex, M20 x 2.5 x 150mm, Cl 10.9

3шт.

17

896-11020

WASHER,22mm ID x 37mm OD x 4mm Thk

22 x 37 x 4 mm

5шт.

18

348405A1

SUPPORT ASSY.

1шт.

19

1286983C1

RAIL ASSY.

1шт.

20

327641A1

SPACER

1шт.

21

327640A1

STRAP

1шт.

22

1965312C3

LATCH ASSY.

1шт.

23

827-20220

BOLT,Hex, M20 x 2.5 x 220mm, Cl 10.9

M20 x 220; 10.9

2шт.

24

829-1420

NUT,M20, Cl 10

4шт.

25

827-20260

BOLT,Hex, M20 x 2.5 x 260mm, Cl 10.9

M20 x 260; 10.9

2шт.

26

1965315C2

LEVER

1шт.

27

1965316C2

SPACER,13mm ID x 19.1mm OD x 8mm L

2шт.

28

827-12065

BOLT,Hex, M12 x 1.75 x 65mm, Cl 10.9

1шт.

29

832-10412

NUT,M12 x 1.75, Cl 8

1шт.

30

1286985C4

HITCH PIN,40mm OD x 200mm L

1шт.

31

1289372C1

SPLIT PIN/SAFETY PIN

1шт.

Выбрано товаров: 32