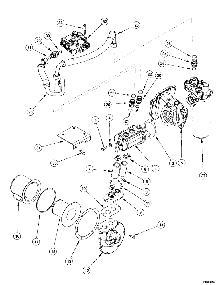
Запчасти Case IH MX220 (8-006) - HYDRAULIC SYSTEM, CHARGE PUMP (08) - HYDRAULICS

Схема запчастей Case IH MX220 - (8-006) - HYDRAULIC SYSTEM, CHARGE PUMP (08) - HYDRAULICS
2
34
30
27
33
29
16
11
32
35
8
9
13
5
31
20
10
7
15
1
22
28
20
8
17
4
12
24
23
22
21
25
14
26
6
3
FIT
1:1
100%

Артикул

Название

Примечание

Количество

1

233746A1

PUMP

ASSY, see Figure 8-042

1шт.

1

392694A1R

REMAN-HYD PUMP

MX180, MX200, MX220, MX240, MX270, Reman For New P/N 233746A1 & 392694A1, All Prior To P.I.N. JJA0105000

1шт.

1

392694A1C

CORE-HYDRAULIC PUMP

Return Number

1шт.

2

144169C2

GASKET,0.79mm Thk

Mounting

1шт.

3

615-12035

BOLT,Hex, M12 x 1.75 x 35mm, Cl 8.8, Full Thd

2шт.

4

896-16012

WASHER,13.5mm ID x 28mm OD x 4mm Thk

13.5 x 28 x 4 mm

2шт.

5

REF

INSTRUCTION

HOUSING, see Figure 6-110

1шт.

6

258623A1

HYDRAULIC HOSE

1шт.

7

258664A1

HYDRAULIC HOSE

1шт.

8

214-1428

HOSE CLAMP,#28, 1.31" - 2.25", Type F Worm

4шт.

9

257887A1

FLANGE

ADAPTER

1шт.

10

258569A1

GASKET

Mounting

1шт.

11

627-10025

BOLT,Hex, M10 x 1.5 x 25mm, Cl 10.9, Full Thd

2шт.

12

302766A1

BASE

1шт.

13

139241C3

GASKET

Housing

1шт.

14

628-10035

BOLT,Hex, M10 x 1.5 x 35mm, Cl 10.9, Full Thd

6шт.

15

1348335C1

SCREEN

1шт.

16

1348337C1

SHROUD

Incl 17

1шт.

17

1342641C1

GASKET,183.6mm ID x 192mm OD x 3mm Thk

Cover

1шт.

20

700-105

HYD CONNECTOR,1-7/16" - 12 Male ORFS x M33 x 2 Male ORB

ADAPTER, 1-7/16 fc sl x 33 Or, Incl 21, 22

2шт.

21

637-64296

O-RING,2.9mm Thk x 29.6mm ID, Cl 6, 90 Duro

1шт.

22

238-6021

O-RING,15/16 X 1 - 1/16, Cl 6

1шт.

23

276361A1

HOSE,25.4mm ID x 656mm L

1шт.

24

700-105

HYD CONNECTOR,1-7/16" - 12 Male ORFS x M33 x 2 Male ORB

ADAPTER, 1-7/16 fc sl x 33 Or, Incl 25, 26

1шт.

25

637-64296

O-RING,2.9mm Thk x 29.6mm ID, Cl 6, 90 Duro

1шт.

26

238-6021

O-RING,15/16 X 1 - 1/16, Cl 6

1шт.

27

REF

INSTRUCTION

HEAD, see Figures 8-008, 8-012

1шт.

28

243129A1

HOSE

1шт.

29

700-105

HYD CONNECTOR,1-7/16" - 12 Male ORFS x M33 x 2 Male ORB

ADAPTER, 1-7/16 fc sl x 33 Or, Incl 30, 31

1шт.

30

637-64296

O-RING,2.9mm Thk x 29.6mm ID, Cl 6, 90 Duro

1шт.

31

238-6021

O-RING,15/16 X 1 - 1/16, Cl 6

1шт.

32

REF

INSTRUCTION

VALVE ASSY, priority, see Figures 8-048, 8-052

1шт.

33

814-10075

BOLT,Hex, M10 x 1.5 x 75mm, Cl 8.8

3шт.

34

233410A1

SUPPORT

BRACKET

1шт.

35

814-10040

BOLT,Hex, M10 x 1.5 x 40mm, Cl 8.8

2шт.

Выбрано товаров: 35