Запчасти Case IH MX220 (8-066) - P.T.O. CONTROL VALVE ASSEMBLY (08) - HYDRAULICS

Схема запчастей Case IH MX220 - (8-066) - P.T.O. CONTROL VALVE ASSEMBLY (08) - HYDRAULICS
4
21
5
23
15
32
28
18
3
31
19
33
11
35
10
12
14
29
24
13
2
9
1
34
20
30
8
FIT
1:1
100%

Артикул

Название

Примечание

Количество

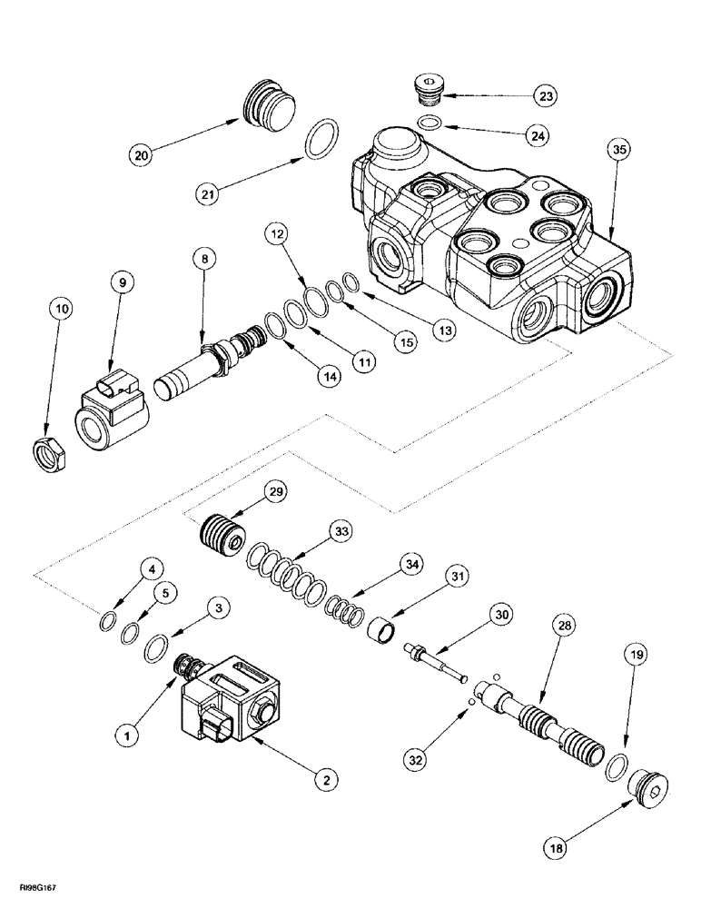
247627A3

DISTRIBUTOR

VALVE ASSY, control, consists of: Ref. 1 - 35

1шт.

349295A1

SOLENOID VALVE

VALVE, Includes: Ref. 1 - 5

1шт.

P/N 349295A1 coil is P/N 298614A1.

1шт.

1

NSS

NOT SOLD SEPARAT

CARTRIDGE

1шт.

2

NSS

NOT SOLD SEPARAT

COIL

1шт.

3

237-6008

O-RING,0.087" Thk x 0.644" ID, -908, Cl 6, 90 Duro

1шт.

4

238-5013

O-RING,0.07" Thk x 0.426" ID, -13, Cl 5, 75 Duro

1шт.

5

238-5014

O-RING,0.07" Thk x 0.489" ID, -14, Cl 5, 75 Duro

1шт.

239552A2

SOLENOID VALVE

SOLENOID ASSY, consists of: Ref. 8 - 15

1шт.

8

NSS

NOT SOLD SEPARAT

CARTRIDGE

1шт.

See STX375/440 tractor P/B for service part numbers. JBedford 10/23/01

1шт.

9

NSS

NOT SOLD SEPARAT

COIL

1шт.

See STX375/440 tractor P/B for service part numbers. JBedford 10/23/01

1шт.

10

NSS

NOT SOLD SEPARAT

NUT

1шт.

See STX375/440 tractor P/B for service part numbers. JBedford 10/23/01

1шт.

308245A1

SEAL KIT

PACKAGE, consists of: Ref. 11 - 15

1шт.

11

238-7016

O-RING,0.07" Thk x 0.614" ID, -16, Cl 7, 75 Duro

1шт.

12

238-7018

O-RING,0.07" Thk x 0.739" ID, -18, Cl 7, 75 Duro

1шт.

13

238-6008

O-RING,0.07" Thk x 0.176" ID, -8, Cl 6, 90 Duro

1шт.

14

238-5014

O-RING,0.07" Thk x 0.489" ID, -14, Cl 5, 75 Duro

1шт.

15

238-5013

O-RING,0.07" Thk x 0.426" ID, -13, Cl 5, 75 Duro

1шт.

18

221578A1

PLUG,M18 x 1.5 ORB

Includes Ref. 19

1шт.

19

637-63153

O-RING,2.2mm Thk x 15.3mm ID, Cl 6, 90 Duro

1шт.

20

221580A1

PLUG,M27 x 2 ORB

Includes Ref. 21

1шт.

21

637-64236

O-RING,2.9mm Thk x 23.6mm ID, Cl 6, 90 Duro

1шт.

23

221576A1

PLUG,Hex Soc, M14 x 1.5, ORB

Includes Ref. 24

1шт.

24

637-63113

O-RING,2.2mm Thk x 11.3mm ID, Cl 6

1шт.

283642A4

SPOOL

ASSY, consists of: Ref. 28 - 34

1шт.

28

NSS

NOT SOLD SEPARAT

SPOOL

1шт.

29

NSS

NOT SOLD SEPARAT

PISTON

1шт.

30

NSS

NOT SOLD SEPARAT

PIN

1шт.

31

NSS

NOT SOLD SEPARAT

SLEEVE

1шт.

32

NSS

NOT SOLD SEPARAT

BALL

2шт.

33

NSS

NOT SOLD SEPARAT

SPRING

1шт.

34

NSS

NOT SOLD SEPARAT

SPRING

1шт.

35

NSS

NOT SOLD SEPARAT

BODY

1шт.

Выбрано товаров: 36