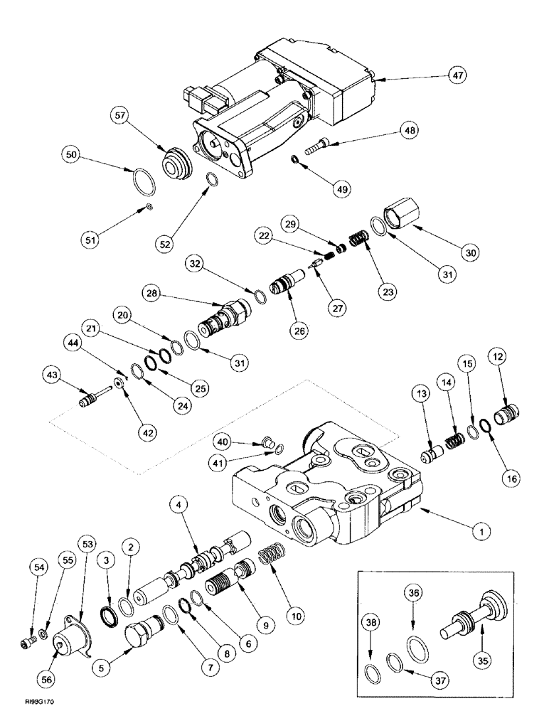
Запчасти Case IH MX220 (8-070) - REMOTE HYDRAULIC CONTROL VALVE (08) - HYDRAULICS

Схема запчастей Case IH MX220 - (8-070) - REMOTE HYDRAULIC CONTROL VALVE (08) - HYDRAULICS
6
52
1
9
8
22
35
49
16
15
31
7
42
24
30
57
29
14
53
20
25
28
23
50
32
26
12
10
48
2
4
51
55
38
43
41
21
13
44
37
54
3
47
56
27
36
5
31
40
FIT
1:1
100%

Артикул

Название

Примечание

Количество

233188A5

DISTRIBUTOR

VALVE ASSY, control, consists of: Ref. 1 - 57

1шт.

1

NSS

NOT SOLD SEPARAT

BODY

1шт.

2

1994608C1

O-RING,0.737" ID x 0.943" OD x 0.103"

1шт.

3

65457C1

SEAL,19.04mm ID x 25.5mm OD x 3.17mm Thk

oil

1шт.

4

NSS

NOT SOLD SEPARAT

SPOOL

1шт.

5

G110214

PLUG

1шт.

6

238-6016

O-RING,0.07" Thk x 0.614" ID, -16, Cl 6, 90 Duro

1шт.

7

237-6010

O-RING,0.097" Thk x 0.755" ID, -910, Cl 6, 90 Duro

1шт.

8

G103862

BACK-UP RING,15.77mm ID x 18.67mm OD x 1.32mm Thk

backup

1шт.

9

278740A2

PISTON

SPOOL

1шт.

10

1340921C1

SPRING

1шт.

1542563C1

KIT

consists of: Ref. 12 - 16

1шт.

12

NSS

NOT SOLD SEPARAT

PLUG

1шт.

13

1543329C1

VALVE POPPET,7mm ID x 13.8mm OD x 27mm L

1шт.

14

NSS

NOT SOLD SEPARAT

SPRING

1шт.

15

238-6015

O-RING,0.07" Thk x 0.551" ID, -15, Cl 6, 90 Duro

1шт.

16

G108723

RING,14.34mm ID x 16.94mm OD x 1.32mm Thk

backup

1шт.

278550A1

CHECK VALVE

consists of: Ref. 20 - 32

1шт.

278550A2R

REMAN-HYD VALVE

MX220 P.I.N. JJA0105000 & AFTER, MX220,MX200,MX240,MX270,MX180 ALL PRIOR TO P.I.N JJA0105000 ALL (1/99-), Reman For New P/N 278550A1

1шт.

278550A2C

CORE-VALVE HYD

Return Number

1шт.

20

238-6016

O-RING,0.07" Thk x 0.614" ID, -16, Cl 6, 90 Duro

1шт.

21

G103862

BACK-UP RING,15.77mm ID x 18.67mm OD x 1.32mm Thk

backup

1шт.

22

NSS

NOT SOLD SEPARAT

SPRING

1шт.

23

NSS

NOT SOLD SEPARAT

SPRING

1шт.

24

238-6015

O-RING,0.07" Thk x 0.551" ID, -15, Cl 6, 90 Duro

1шт.

25

G108723

RING,14.34mm ID x 16.94mm OD x 1.32mm Thk

backup

1шт.

26

NSS

NOT SOLD SEPARAT

POPPET valve

1шт.

27

NSS

NOT SOLD SEPARAT

POPPET valve

1шт.

28

NSS

NOT SOLD SEPARAT

BODY

1шт.

29

NSS

NOT SOLD SEPARAT

PLUG

1шт.

30

NSS

NOT SOLD SEPARAT

CAP

1шт.

31

237-6010

O-RING,0.097" Thk x 0.755" ID, -910, Cl 6, 90 Duro

2шт.

32

G108727

BACK-UP RING,13.27mm ID x 15.87mm OD x 1.32mm Thk

1шт.

284165A1

PLUG,25.4mm OD x 76.58mm L

ASSY, consists of: Ref. 35 - 38

1шт.

35

NSS

NOT SOLD SEPARAT

PLUG

1шт.

36

237-6010

O-RING,0.097" Thk x 0.755" ID, -910, Cl 6, 90 Duro

1шт.

37

G108723

RING,14.34mm ID x 16.94mm OD x 1.32mm Thk

backup

1шт.

38

238-6015

O-RING,0.07" Thk x 0.551" ID, -15, Cl 6, 90 Duro

1шт.

40

86529630

PLUG,Hex Soc, 3/8"-24 ORB

Includes Ref. 41

1шт.

41

237-6003

O-RING,0.064" Thk x 0.301" ID, -903, Cl 6, 90 Duro

1шт.

42

1957861C1

WASHER

1шт.

43

1957862C1

PISTON

1шт.

44

1957859C1

SNAP RING

1шт.

47

233189A4

ACTUATOR

Replaces: 233189A5

1шт.

The gasket between Ref. 47 actuator and Ref. 1 body is P/N 381242A1. cam djo 11/28/00

1шт.

48

864-6025

HEX SOC SCREW,M6 x 25mm, Cl 8.8

3шт.

49

292258A1

WASHER

3шт.

50

238-6123

O-RING,0.103" Thk x 1.174" ID, -123, Cl 6, 90 Duro

1шт.

51

238-6008

O-RING,0.07" Thk x 0.176" ID, -8, Cl 6, 90 Duro

1шт.

52

238-6015

O-RING,0.07" Thk x 0.551" ID, -15, Cl 6, 90 Duro

1шт.

53

244376A2

COVER

1шт.

The gasket for the remote valve actuator cover is P/N 381242A1. See NTR SB MG 8001 00. DM TSG 3/23/01

1шт.

54

864-6012

HEX SOC SCREW,M6 x 12mm, Cl 8.8

2шт.

55

895-11006

WASHER,6.6mm ID x 12mm OD x 1.6mm Thk

2шт.

56

G107780

VALVE, CHECK

1шт.

57

322836A1

COLLAR

RETAINER

1шт.

Выбрано товаров: 56