Запчасти Case IH MX220 (2-056) - WASTEGATE ACTUATOR, MX200, MX220, 6TAA-830 EMISSIONS CERTIFIED ENGINE (02) - ENGINE

Схема запчастей Case IH MX220 - (2-056) - WASTEGATE ACTUATOR, MX200, MX220, 6TAA-830 EMISSIONS CERTIFIED ENGINE (02) - ENGINE
7
2
11
3
6
10
12
6
8
9
5
4
1
FIT
1:1
100%

Артикул

Название

Примечание

Количество

REF

INSTRUCTION

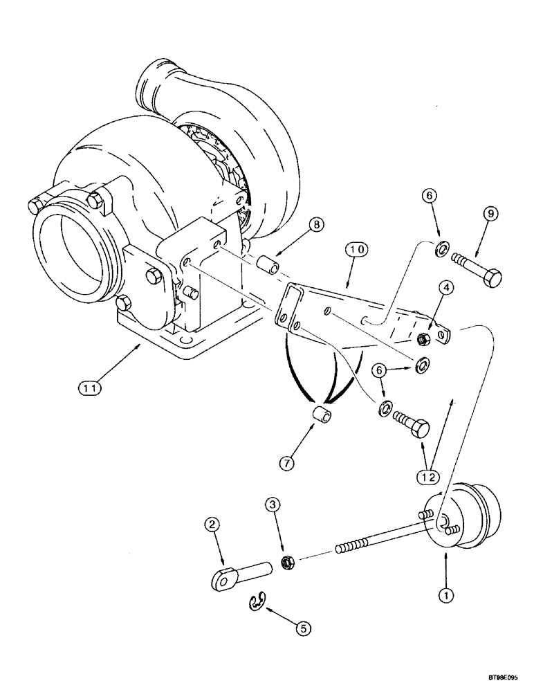
TURBOCHARGER ASSY, see Figure 2-046, consists of: Ref. 1 - 12, also Includes: Ref. 2 - 22

1шт.

1

J531892

ACTUATOR

1шт.

J531892C

CORE-HYD CYLINDER

Return Number, ACTUATOR - for N.A. Only

1шт.

2

J528177

LINK

1шт.

3

425-155

JAM NUT,Jam, 5/16"-24, G5

1шт.

4

J528204

LOCK NUT

lock

2шт.

5

J528221

CIRCLIP

1шт.

NSS

NOT SOLD SEPARAT

HOUSING, consists of: Ref. 6 - 12

1шт.

6

895-11008

WASHER,9mm ID x 16mm OD x 1.6mm Thk

3шт.

7

J532195

SPACER,9.38mm ID x 16.03mm OD x 13.7mm L

13.6 mm

3шт.

8

J532196

SPACER,9.38mm ID x 16.03mm OD x 19mm L

19 mm

1шт.

9

814-8055

BOLT,Hex, M8 x 1.25 x 55mm, Cl 8.8

1шт.

10

J532671

BRACKET

1шт.

11

NSS

NOT SOLD SEPARAT

HOUSING

1шт.

12

814-8035

BOLT,Hex, M8 x 1.25 x 35mm, Cl 8.8

2шт.

Выбрано товаров: 15