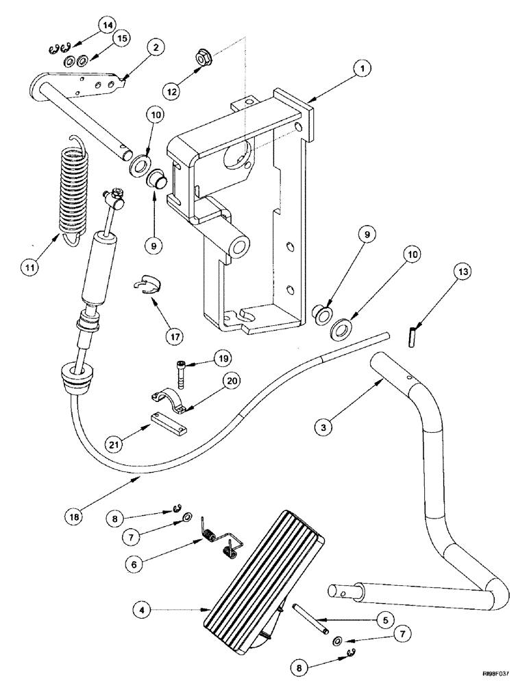
Запчасти Case IH MX220 (3-048) - FOOT THROTTLE, MX180, MX200, MX220 (03) - FUEL SYSTEM

Схема запчастей Case IH MX220 - (3-048) - FOOT THROTTLE, MX180, MX200, MX220 (03) - FUEL SYSTEM
6
19
11
12
17
15
8
13
10
20
5
2
21
8
10
14
7
9
4
3
1
9
7
18
FIT
1:1
100%

Артикул

Название

Примечание

Количество

302785A

KIT

attachment, order from machinery price list, consists of: Ref. 1 - 21

1шт.

1

296858A3

FRAME

1шт.

2

296867A3

LEVER

1шт.

3

296870A3

TUBE

TUBE

1шт.

4

297853A2

PEDAL

1шт.

5

255291A1

PIN,5mm OD x 56mm L

1шт.

6

256776A1

SPRING

1шт.

7

895-11005

WASHER,5.5mm ID x 10mm OD x 1mm Thk

2шт.

8

800-435

CIRCLIP,M5

Retaining

2шт.

9

1533540C1

BUSHING,12mm ID x 14mm OD x 12mm L

BUSHING

2шт.

10

895-11012

WASHER,13.5mm ID x 24mm OD x 2.5mm Thk

2шт.

11

248913A2

SPRING

1шт.

12

825-2408

FLANGE NUT,M8 x 1.25, Flg, Cl 8

3шт.

13

838-3528

PIN,M5 x 28, Coiled

Roll

1шт.

14

800-316

CIRCLIP,M6

retaining

1шт.

15

895-11006

WASHER,6.6mm ID x 12mm OD x 1.6mm Thk

1шт.

17

3223258R2

CIRCLIP

RING retaining

1шт.

18

295830A3

CABLE

1шт.

19

461-31016

HEX SOC SCREW,#10 - 24 x 1"

No. 10 x 1

2шт.

20

A75815

CLAMP

1шт.

21

L40315

SHIM,5.55mm ID x 12.7mm OD x 2.28mm Thk

1шт.

Выбрано товаров: 21