Запчасти Case IH MX220 (5-028) - TIE ROD AND STEERING CYLINDER, 2-WHEEL DRIVE, MX180, MX200, MX220, N.A. ONLY (05) - STEERING

Схема запчастей Case IH MX220 - (5-028) - TIE ROD AND STEERING CYLINDER, 2-WHEEL DRIVE, MX180, MX200, MX220, N.A. ONLY (05) - STEERING
40
34
41
38
1
11
13
18
3
31
10
33
12
20
36
4
37
42
6
19
5
13
14
35
29
32
32
42
34
41
8
40
7
16
9
10
FIT
1:1
100%

Артикул

Название

Примечание

Количество

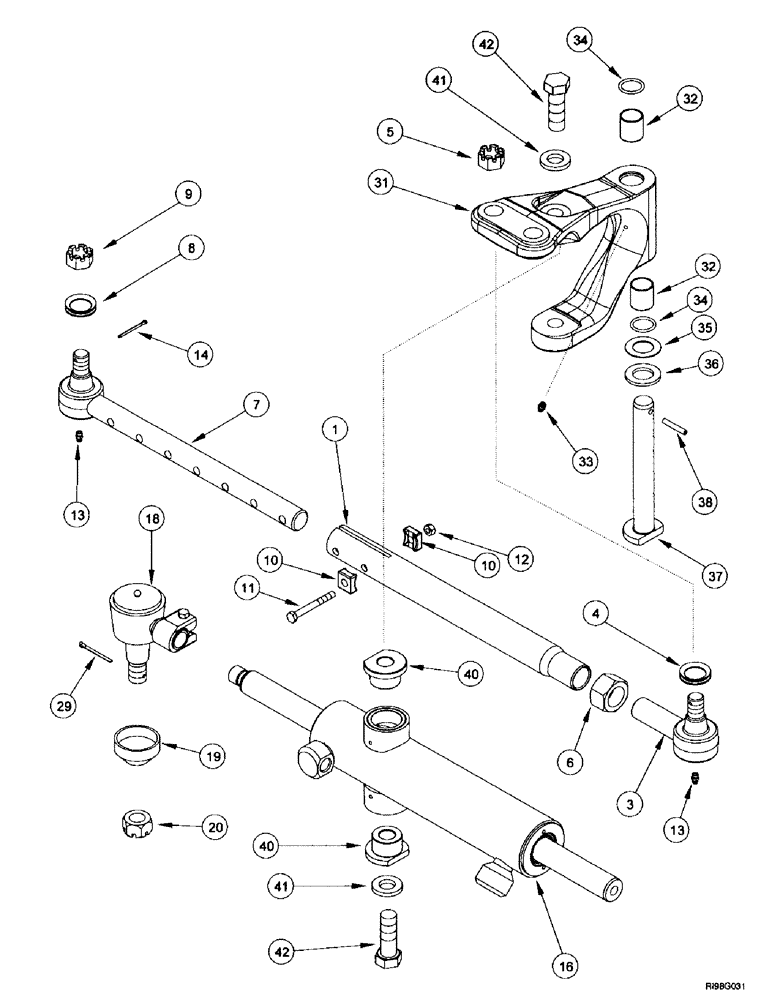
1270788C1

DRAG LINK

ROD ASSY, consists of: Ref. 1 - 13

2шт.

1

1280657C1

TUBE,30.7 - 40 mm ID, 41.2 mm OD, 431.5 mm Length

1шт.

3

1280658C1

BALL JOINT

SOCKET ASSY, Includes: Ref. 4, 5

1шт.

4

1280659C1

SEAL,27.61mm ID x 38.9mm OD x 8.13mm Thk

1шт.

5

1280660C1

SLOTTED NUT

M20

1шт.

6

1280661C1

NUT

1-1/8"

1шт.

7

1280662C1

BALL JOINT

SOCKET ASSY, Includes: 8, 9

1шт.

8

1280659C1

SEAL,27.61mm ID x 38.9mm OD x 8.13mm Thk

1шт.

9

1280660C1

SLOTTED NUT

M20

1шт.

10

A145857

CLAMP,9.91mm ID x 25.4mm OD x 7.365mm Thk

4шт.

11

328-648

BOLT,Hex, 3/8" - 24 x 3", Gr 8

2шт.

12

232-4616

LOCK NUT,3/8"-24, GC

2шт.

13

219-8

LUBE NIPPLE,1/4" - 28 NPTF

2шт.

14

432-824

COTTER PIN,1/8" x 1 1/2"

4шт.

16

241936A1

STEERING CYLINDER

ASSY, see Figure 5-22

1шт.

18

304856A1

TRACK ROD END ASSY

SOCKET, Includes: Ref. 19, 20

1шт.

19

304857A1

DUST CAP

SEAL

1шт.

20

429-1314

NUT,7/8"-14, G8

7/8 NF; 8

1шт.

29

32-1028

COTTER PIN,5/32" x 1 3/4"

1шт.

31

238462A2

YOKE

ARM ASSY, Incl. Ref. 32

1шт.

32

1259581C1

BUSHING,25.43mm ID x 28.6mm OD x 31.8mm L

2шт.

33

219-17

LUBE NIPPLE,3/16" NPTF

1шт.

34

238-5214

O-RING,0.139" Thk x 0.984" ID, -214, Cl 5, 75 Duro

2шт.

35

71421C1

WASHER

1-1/32 x 1-3/4 x 5/32

1шт.

36

95-81052

WASHER,1.03" ID x 1.75" OD x 0.05" Thk

1шт.

37

1334694C1

PIN,50.8mm OD x 210.05mm L

1шт.

38

38-31624

ROLL PIN,1/4" x 1 1/2", Coiled

1шт.

40

1259582C3

FITTING

TRUNNION

2шт.

41

396-31081

WASHER,20.63mm ID x 38.1mm OD x 5.56mm Thk

2шт.

42

628-20060

SCREW,Hex, M20 x 2.5 x 60mm, Cl 10.9, Full Thd

2шт.

Выбрано товаров: 30