Запчасти Case IH MX230 (07-15) - TRAILER BRAKES - PNEUMATIC, COUPLERS (07) - BRAKES

Схема запчастей Case IH MX230 - (07-15) - TRAILER BRAKES - PNEUMATIC, COUPLERS (07) - BRAKES
a
2
b
10
a
12
8
3
17
4
1
5
11
9
16
b
14
15
13
7
6
FIT
1:1
100%

Артикул

Название

Примечание

Количество

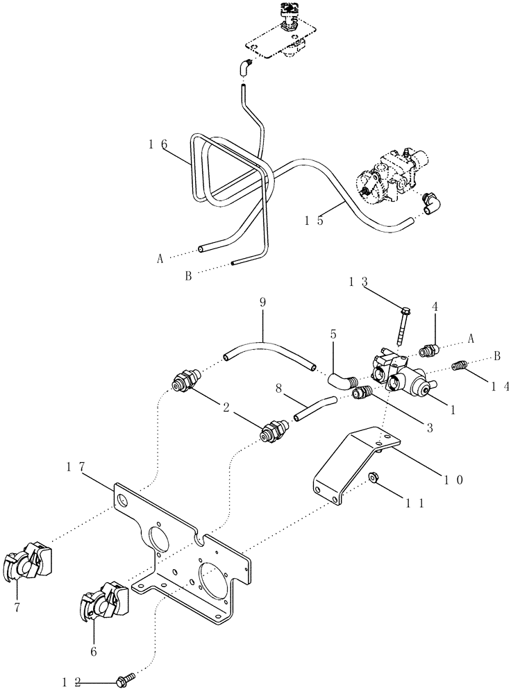
1

87409383

PNEUMATIC VALVE

Tractor Protection

1шт.

2

87411311

HYD CONNECTOR

Bulkhead, 1/2 npt x 1/2 Tube

2шт.

3

87411513

FITTING

Air Brake, Push-in, 1/2 npt x 1/2 Tube

1шт.

4

87411845

FITTING

3/8 npt x 1/2 Tube

1шт.

5

87411504

ELBOW

Air Brake, Push-in, 1/2 npt x 1/2 Tube

1шт.

6

87409385

COUPLING

Emergency, Red

1шт.

7

87409386

COUPLING

Service, Blue

1шт.

8

87411888

HOSE

Emergency Coupler Supply

1шт.

9

87411889

HOSE

Service Coupler Supply

1шт.

10

87411890

BRACKET

Tractor Protection Valve

1шт.

11

825-2410

FLANGE NUT,M10 x 1.5, Flg, Cl 8

2шт.

12

844-10030

BOLT,Hvy Hex, M10 x 30mm, Cl 8.8

2шт.

13

844-8070

BOLT,Hvy Hex, M8 x 70mm, Cl 8.8

M8 x 70 mm

2шт.

14

87411443

FITTING

Air Brake, Push-in, 1/4 npt x 1/4 Tube

1шт.

15

86985951

AIR HOSE,317.00 mm

Air Brake Supply

1шт.

16

87422504

HOSE

Hand Valve to Protection Valve

1шт.

17

87413002

BRACKET, SUPPORTING

1шт.

18

840-1616

SCREW,Pan, M6 x 16mm, Cl 4.8

(Not Shown)

2шт.

Выбрано товаров: 18