Запчасти Case IH MX240 (03-13) - FUEL INJECTION PUMP, MX240, MX270, 6TAA-8304 EMISSIONS CERTIFIED ENGINE (03) - FUEL SYSTEM

Схема запчастей Case IH MX240 - (03-13) - FUEL INJECTION PUMP, MX240, MX270, 6TAA-8304 EMISSIONS CERTIFIED ENGINE (03) - FUEL SYSTEM
14
3
28
27
12
8
25
15
4
16
19
8
23
15
7
7
11
2
1
4
9
18
5
29
13
16
14
10
4
17
15
26
24
6
FIT
1:1
100%

Артикул

Название

Примечание

Количество

J4010267

REPAIR KIT

Gear Pump, New, Consists Of 1 - 29

1шт.

JR4010267

REPAIR KIT

Gear Pump, Remanufactured, N.A. Only

1шт.

JC4010267

CORE

1шт.

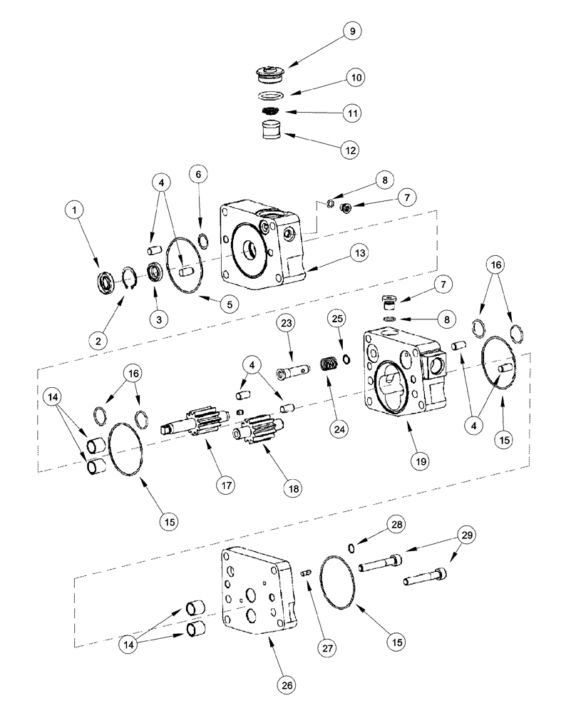
1

NSS

NOT SOLD SEPARAT

Seal

1шт.

2

NSS

NOT SOLD SEPARAT

Ring, Retaining

1шт.

3

NSS

NOT SOLD SEPARAT

Seal

1шт.

4

NSS

NOT SOLD SEPARAT

Pin, Dowel

6шт.

5

J867642

O-RING,0.07" Thk x 2.489" ID, -37, Cl 5, 75 Duro

1шт.

6

J867641

O-RING,0.07" Thk x 0.551" ID, -15, Cl 5, 75 Duro

1шт.

7

J678610

PLUG

Inc. 8

2шт.

8

J678603

O-RING,2.2mm Thk x 9.3mm ID

1шт.

9

J4009979

CAP

1шт.

10

237-8012

O-RING,0.116" Thk x 0.924" ID, -912, Cl 8, 90 Duro

3/4 OD Tube

1шт.

11

J70700

SPRING

1шт.

12

J146483

FILTER

1шт.

13

NSS

NOT SOLD SEPARAT

Cover

1шт.

14

NSS

NOT SOLD SEPARAT

Bushing

4шт.

15

J867645

O-RING,0.07" Thk x 2.364" ID

3шт.

16

J3066914

O-RING,0.07" Thk x 0.739" ID

4шт.

J4010267

REPAIR KIT

Gear Pump, New, Consists Of 1 - 29

1шт.

JR4010267

REPAIR KIT

Gear Pump, Remanufactured, N.A. Only

1шт.

JC4010267

CORE

1шт.

17

NSS

NOT SOLD SEPARAT

Shaft, Drive

1шт.

18

NSS

NOT SOLD SEPARAT

Shaft

1шт.

19

NSS

NOT SOLD SEPARAT

Housing

1шт.

A77972

KIT

Inc. 23 - 25

1шт.

23

NSS

NOT SOLD SEPARAT

Plunger

1шт.

24

NSS

NOT SOLD SEPARAT

Spring

1шт.

25

NSS

NOT SOLD SEPARAT

Ring, Retaining

1шт.

26

NSS

NOT SOLD SEPARAT

Cover

1шт.

27

NSS

NOT SOLD SEPARAT

Pin

1шт.

28

J867480

O-RING,0.07" Thk x 0.239" ID, -10, Cl 5, 75 Duro

1шт.

29

NSS

NOT SOLD SEPARAT

Bolt

2шт.

Выбрано товаров: 33