Запчасти Case IH MX240 (03-14) - FUEL INJECTION PUMP, MX240, MX270, 6TAA-8304 EMISSIONS CERTIFIED ENGINE (03) - FUEL SYSTEM

Схема запчастей Case IH MX240 - (03-14) - FUEL INJECTION PUMP, MX240, MX270, 6TAA-8304 EMISSIONS CERTIFIED ENGINE (03) - FUEL SYSTEM
13
21
5
9
3
8
19
18
16
12
15
14
11
17
10
2
6
4
20
1
7
FIT
1:1
100%

Артикул

Название

Примечание

Количество

J4010269

REPAIR KIT

Distributor, New, Inc. 1 - 21

1шт.

JR4010269

REPAIR KIT

Distributor, Remanufactured, N.A. Only

1шт.

JC4010269

SERVICE KIT

1шт.

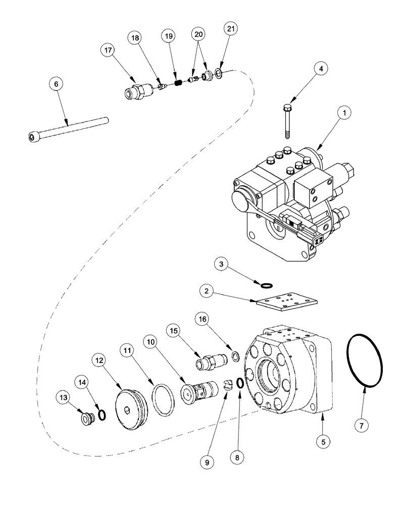
1

NSS

NOT SOLD SEPARAT

Valve, Control

1шт.

2

NSS

NOT SOLD SEPARAT

Gasket, Mounting

1шт.

3

NSS

NOT SOLD SEPARAT

Seal

2шт.

4

NSS

NOT SOLD SEPARAT

Bolt

6шт.

5

NSS

NOT SOLD SEPARAT

Housing

1шт.

6

J347941

SCREW,Hex Skt

4шт.

7

J867645

O-RING,0.07" Thk x 2.364" ID

1шт.

8

J867480

O-RING,0.07" Thk x 0.239" ID, -10, Cl 5, 75 Duro

1шт.

9

J330644

HUB

1шт.

10

NSS

NOT SOLD SEPARAT

Shaft

1шт.

11

J348757

O-RING,1.424" ID x 1.63" OD

1шт.

12

J4002104

PLUG

1шт.

13

J678923

PLUG,M10 x 1

10 mm, Includes 14

1шт.

14

J678925

O-RING,1.6mm Thk x 8.1mm ID, Cl 7, 75 Duro

1шт.

J800867

REPAIR KIT

Consists Of 15, 16

1шт.

15

NSS

NOT SOLD SEPARAT

Connector

1шт.

16

J4009898

DISC

1шт.

J800909

REPAIR KIT

Consists Of 17 - 21

6шт.

17

NSS

NOT SOLD SEPARAT

Connector

1шт.

18

NSS

NOT SOLD SEPARAT

Guide

1шт.

19

NSS

NOT SOLD SEPARAT

Spring

1шт.

20

NSS

NOT SOLD SEPARAT

Seat, Valve

1шт.

21

J867724

SEAL

1шт.

Выбрано товаров: 26